Technology and Development

Explicação do teorema da superposição em engenharia elétrica

Explanation of the superposition theorem in ele...

The superposition theorem is the foundation of electrical engineering and circuit analysis, providing a robust framework for analyzing complex linear circuits with multiple voltage sources and...

Explanation of the superposition theorem in ele...

The superposition theorem is the foundation of electrical engineering and circuit analysis, providing a robust framework for analyzing complex linear circuits with multiple voltage sources and...

O potencial revolucionário da teoria da automação de estações

The revolutionary potential of station automati...

In modern energy systems, the convergence of advanced technologies and theoretical advances has triggered a paradigm shift and paved the way for significant changes in generation, transmission...

The revolutionary potential of station automati...

In modern energy systems, the convergence of advanced technologies and theoretical advances has triggered a paradigm shift and paved the way for significant changes in generation, transmission...

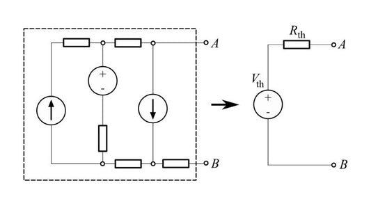
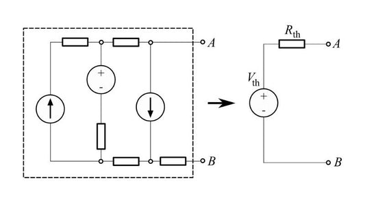
Explicação do Teorema de Thevenin

Explanation of Thevenin's Theorem

Thévenin's theorem is a fundamental concept in the analysis of electrical circuits and a powerful tool for simplifying complex circuits into simpler equivalents. Named in honor of...

Explanation of Thevenin's Theorem

Thévenin's theorem is a fundamental concept in the analysis of electrical circuits and a powerful tool for simplifying complex circuits into simpler equivalents. Named in honor of...