EL ACERO EN LA INDUSTRIA BRASILEÑA

Projeto e fabricação de máquina de descascamento de coco

Diseño y fabricación de máquina peladora de coco.

Diseño y fabricación de una máquina peladora de coco Introducción El alcance de este proyecto fue diseñar y desarrollar una máquina de extracción de fibra de coco para agricultores e...

Diseño y fabricación de máquina peladora de coco.

Diseño y fabricación de una máquina peladora de coco Introducción El alcance de este proyecto fue diseñar y desarrollar una máquina de extracción de fibra de coco para agricultores e...

¿Qué función cumplen las válvulas en los sistem...

Introducción: En los sistemas neumáticos, las válvulas juegan un papel fundamental en el control del flujo de aire. Sirven como elementos de ajuste que permiten ajustar con precisión la cantidad...

¿Qué función cumplen las válvulas en los sistem...

Introducción: En los sistemas neumáticos, las válvulas juegan un papel fundamental en el control del flujo de aire. Sirven como elementos de ajuste que permiten ajustar con precisión la cantidad...

Tecnologia de porcas forjadas: produzindo fixadores de alta precisão e alta resistência – fornecendo soluções de tubulação

Tecnología de tuercas forjadas: producción de s...

Con el desarrollo y progreso de la industria manufacturera, las tuercas como sujetadores se utilizan ampliamente en la ingeniería mecánica, aeroespacial, automotriz, ferroviaria y otras áreas....

Tecnología de tuercas forjadas: producción de s...

Con el desarrollo y progreso de la industria manufacturera, las tuercas como sujetadores se utilizan ampliamente en la ingeniería mecánica, aeroespacial, automotriz, ferroviaria y otras áreas....

Caldeira Cochran – Peças, Diagrama, Construção e Funcionamento

Caldera Cochran: piezas, diagrama, construcción...

¿Qué es la Caldera Cochran? La caldera Cochran es una caldera multitubular de eje de tambor vertical, de circulación natural, de tiro natural, de baja presión, alimentada por combustible sólido,...

Caldera Cochran: piezas, diagrama, construcción...

¿Qué es la Caldera Cochran? La caldera Cochran es una caldera multitubular de eje de tambor vertical, de circulación natural, de tiro natural, de baja presión, alimentada por combustible sólido,...

Projeto otimizado de flanges de alta pressão de grande diâmetro – fornecendo soluções de tubulação

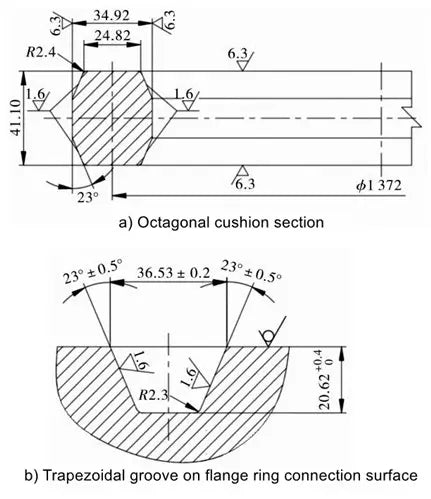
Diseño optimizado de bridas de alta presión de ...

Una conexión de brida atornillada es la forma más comúnmente utilizada de estructura de conexión desmontable en las industrias química y petrolera, que se usa ampliamente y se utiliza como...

Diseño optimizado de bridas de alta presión de ...

Una conexión de brida atornillada es la forma más comúnmente utilizada de estructura de conexión desmontable en las industrias química y petrolera, que se usa ampliamente y se utiliza como...

¿Cómo funciona un secador de aire comprimido?

Los secadores de aire comprimido son dispositivos diseñados para eliminar el exceso de humedad y otros contaminantes del aire utilizado en los sistemas neumáticos. El agua contenida en el aire...

¿Cómo funciona un secador de aire comprimido?

Los secadores de aire comprimido son dispositivos diseñados para eliminar el exceso de humedad y otros contaminantes del aire utilizado en los sistemas neumáticos. El agua contenida en el aire...