STEEL IN THE BRAZILIAN INDUSTRY

Dispositivos de fixação de cortadores para fresadoras

Cutter clamping devices for milling machines

Cutter Holding and Driving Devices for Milling Machines The following clamping and driving devices are used to hold and drive cutters. 1. The arbor An arbor is a...

Cutter clamping devices for milling machines

Cutter Holding and Driving Devices for Milling Machines The following clamping and driving devices are used to hold and drive cutters. 1. The arbor An arbor is a...

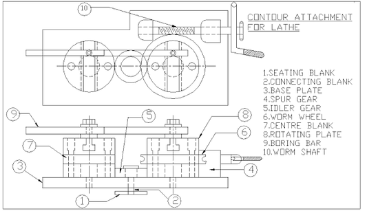
Acessório de contorno para torno mecânico – Projeto mecânico

Acessório de contorno para torno mecânico – Pro...

Acessório de contorno para máquina de torno – Projeto mecânico SINOPSE Um acessório côncavo é versátil para cortar perfis côncavos-convexos. Um conjunto de placas giratórias tem ranhuras em T para...

Acessório de contorno para torno mecânico – Pro...

Acessório de contorno para máquina de torno – Projeto mecânico SINOPSE Um acessório côncavo é versátil para cortar perfis côncavos-convexos. Um conjunto de placas giratórias tem ranhuras em T para...

Classificação/Tipos de uso de furadeira em oficina mecânica

Classificação/Tipos de uso de furadeira em ofic...

Classificação/Tipos de uso de máquinas de perfuração em oficina mecânica Tipos de máquina de perfuração: Perfuração é uma operação de fazer um furo circular removendo um volume de metal do...

Classificação/Tipos de uso de furadeira em ofic...

Classificação/Tipos de uso de máquinas de perfuração em oficina mecânica Tipos de máquina de perfuração: Perfuração é uma operação de fazer um furo circular removendo um volume de metal do...

Introdução à operação de brochamento |  Vantagens e desvantagens

Introduction to the broaching operation | Advan...

What is broaching operation: Broaching is a machining process for removing a layer of material with desired width and depth, generally in a single stroke, by a thin rod...

Introduction to the broaching operation | Advan...

What is broaching operation: Broaching is a machining process for removing a layer of material with desired width and depth, generally in a single stroke, by a thin rod...

Máquina de corte – Tipos, Princípio, Funcionamento, Operações

Cutting Machine – Types, Principle, Working, Op...

Fundamental Shear Operation Cutting: A shear force is applied that will cut part of a sheet. The cut 'blank' becomes the workpiece. Shear, also known...

Cutting Machine – Types, Principle, Working, Op...

Fundamental Shear Operation Cutting: A shear force is applied that will cut part of a sheet. The cut 'blank' becomes the workpiece. Shear, also known...

Básico de fresamento – fresamento ascendente e fresamento descendente

Milling basics – up milling and down milling

Milling basics – up milling and down milling Milling is a process of producing flat, complex shapes using multi-point (or multi-tooth) cutting tools.

Milling basics – up milling and down milling

Milling basics – up milling and down milling Milling is a process of producing flat, complex shapes using multi-point (or multi-tooth) cutting tools.