Tecnologia e Desenvolvimento

Harmonizando a Segurança: O Papel dos Relés de Falta à Terra Restritos

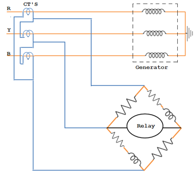
Harmonizando a Segurança: O Papel dos Relés de ...

No complexo mundo dos sistemas elétricos, onde as correntes fluem continuamente, a importância primordial da segurança não pode ser subestimada. No meio da complexa interação de circuitos e corrent...

Harmonizando a Segurança: O Papel dos Relés de ...

No complexo mundo dos sistemas elétricos, onde as correntes fluem continuamente, a importância primordial da segurança não pode ser subestimada. No meio da complexa interação de circuitos e corrent...

Subfrequência |  Relé de sequência negativa

Subfrequência | Relé de sequência negativa

O relé de subfrequência/sequência negativa é crucial nos sistemas de energia modernos, pois garante estabilidade e proteção. À medida que a procura de energia flutua e ocorrem eventos imprevistos, ...

Subfrequência | Relé de sequência negativa

O relé de subfrequência/sequência negativa é crucial nos sistemas de energia modernos, pois garante estabilidade e proteção. À medida que a procura de energia flutua e ocorrem eventos imprevistos, ...

Relé de admitância Mho ou relé de admitância angular

Relé de admitância Mho ou relé de admitância an...

Um relé Mho, um relé de admitância ou admitância angular, é um importante dispositivo de proteção em sistemas de potência. É um tipo de relé de distância que funciona com...

Relé de admitância Mho ou relé de admitância an...

Um relé Mho, um relé de admitância ou admitância angular, é um importante dispositivo de proteção em sistemas de potência. É um tipo de relé de distância que funciona com...

Explorando o princípio e operação de um relé diferencial

Explorando o princípio e operação de um relé di...

Os relés diferenciais desempenham um papel crítico na segurança dos sistemas elétricos, detectando e respondendo a anomalias no fluxo de corrente. Freqüentemente, eles têm um mecanismo de atraso pa...

Explorando o princípio e operação de um relé di...

Os relés diferenciais desempenham um papel crítico na segurança dos sistemas elétricos, detectando e respondendo a anomalias no fluxo de corrente. Freqüentemente, eles têm um mecanismo de atraso pa...

O maravilhoso mundo dos relés de reatância de indução

O maravilhoso mundo dos relés de reatância de i...

No campo dinâmico da engenharia elétrica, o relé de reatância de indução é o guardião da estabilidade da rede elétrica. Esses relés combinam princípios eletromagnéticos com engenharia de precisão e...

O maravilhoso mundo dos relés de reatância de i...

No campo dinâmico da engenharia elétrica, o relé de reatância de indução é o guardião da estabilidade da rede elétrica. Esses relés combinam princípios eletromagnéticos com engenharia de precisão e...

O papel dos relés de distância na infraestrutura moderna

O papel dos relés de distância na infraestrutur...

No vasto e complexo mundo da infraestrutura moderna, os relés de distância desempenham um papel crucial para garantir a operação confiável e eficiente das redes elétricas. Esses dispositivos sofist...

O papel dos relés de distância na infraestrutur...

No vasto e complexo mundo da infraestrutura moderna, os relés de distância desempenham um papel crucial para garantir a operação confiável e eficiente das redes elétricas. Esses dispositivos sofist...