Subfrequência |  Relé de sequência negativa

Subfrequência | Relé de sequência negativa

Relé de sequência negativa

O relé de subfrequência/sequência negativa é crucial nos sistemas de energia modernos, pois garante estabilidade e proteção. À medida que a procura de energia flutua e ocorrem eventos imprevistos, como falhas ou interrupções, os níveis de frequência e tensão na rede podem desviar-se dos seus valores normais. Este relé, também conhecido como relé UF/LV, foi projetado para monitorar e detectar condições de subfrequência e sequência negativa que podem levar a consequências potencialmente prejudiciais se não forem tratadas imediatamente. Neste contexto, o relé atua como um guardião vigilante, acionando rapidamente medidas de proteção para evitar maiores danos e manter a integridade do sistema de potência. Compreender os princípios e funções do relé de subfrequência/sequência negativa é fundamental para engenheiros e operadores de energia, pois fornece uma importante linha de defesa contra a instabilidade do sistema e possíveis falhas.

Relé de subfrequência

Os relés baseados em frequência podem Relé de subfrequência ou Relé de sobrefrequência.
Os relés de frequência são normalmente utilizados na proteção de geradores e para controle de frequência de cargas.
Relé de subfrequência
Relé de copo de indução
A frequência da força eletromotriz induzida de um gerador síncrono é mantida constante pela velocidade constante. A sobrevelocidade do gerador ocorre devido a uma perda de carga, a subvelocidade ocorre devido a um aumento na carga. Em ambos os casos a frequência se desvia do normal. Relés de frequência são usados ​​para evitar danos ao gerador nas duas condições acima. Relé de subfrequência Quando desarmado, o alimentador alivia a carga em um valor de frequência definido e, assim, alivia o gerador e protege o grupo gerador. Os relés de subfrequência, portanto, suportam programas de redução de carga na proteção da rede.

Relé de proteção

O Relé de frequência está conectado ao enrolamento secundário do conversor de tensão. O relé monitora a frequência continuamente. Possui dois pares de bobinas e está conectado em paralelo à tensão de alimentação através da impedância Z. A impedância varia com a frequência. Em condições normais, o torque é aplicado à carcaça do rotor devido a uma mudança na impedância no sentido horário ou anti-horário, dependendo se a frequência é maior ou menor que a frequência desejada (frequência nominal). A resistência ao deslizamento varia a configuração de frequência e a mola de retenção pode remover o transdutor.

Relé de sobrecorrente direcional

O relé de sobrecorrente direcional, comumente conhecido como DOCR, é um dispositivo de proteção básico em sistemas de energia elétrica para detectar e responder a falhas e condições anormais. Ao contrário dos relés de sobrecorrente tradicionais que dependem apenas da potência, o DOCR é equipado com elementos direcionais que lhe permitem operar seletivamente em direções específicas ao longo da rede de energia. Esta característica direcional permite ao relé distinguir entre faltas ocorridas dentro de sua zona protegida e aquelas originadas de fontes externas, evitando disparos desnecessários e isolando apenas a parte afetada do sistema. Ao detectar rapidamente defeitos e coordenar com outros dispositivos de proteção, o relé de sobrecorrente direcional desempenha um papel crítico na garantia da integridade e estabilidade do sistema de energia, minimizando o tempo de inatividade e melhorando a confiabilidade geral das redes elétricas. Os engenheiros de sistemas de energia dependem fortemente da resposta rápida e precisa do DOCR para manter a segurança e a eficiência da transmissão e distribuição de energia, tornando-o uma parte indispensável da infraestrutura elétrica moderna.

Relé de sequência negativa

Relé de sequência negativa Proteja a máquina elétricaS contra superaquecimento Correntes de desequilíbrio no estator. Esses ventos desequilibrados aquecem o rotor e o danificam. Correntes trifásicas desequilibradas possuem componentes de sequência negativa. Esses componentes giram a uma velocidade síncrona em uma direção oposta à direção de rotação do rotor, incluindo correntes de dupla frequência no rotor.
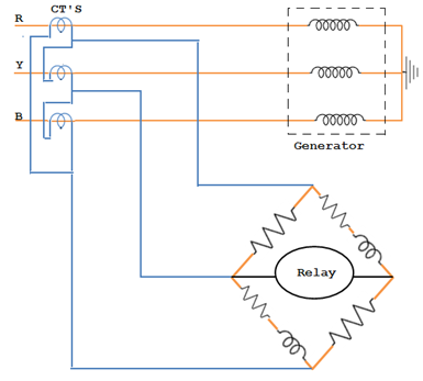
Relé de sequência negativa

O arranjo do Sequência negativa retransmissão A conexão é mostrada na figura. O relé é conectado em paralelo aos enrolamentos secundários do transformador de potência. Em condições normais, a sua soma algébrica é zero porque a mesma corrente flui em todas as três fases. Portanto, nenhuma corrente flui através do relé. Contudo, quando ocorre um desequilíbrio, as correntes secundárias são diferentes e a corrente resultante flui através do relé e do Operação do relé resolve isso Disjuntor para desconectar o gerador da rede.

Redes de sistemas anti-fase são utilizadas em condições de desequilíbrio ou erros desbalanceados, conforme mostrado na figura a seguir.
Rede de sequência de fase negativa

Tipos de relés eletromagnéticos

Os relés eletromagnéticos são amplamente utilizados em diversas aplicações devido à sua simplicidade e confiabilidade. Eles vêm em diferentes versões para atender a requisitos específicos. Os tipos mais comuns de relés eletromagnéticos incluem o seguinte:

Relé de âncora energizado

Este tipo clássico apresenta uma armadura rotativa que é atraída por um eletroímã quando uma corrente flui pela bobina, fazendo com que os contatos mudem de posição. Os relés de armadura rotativa são usados ​​em aplicações de baixa potência e circuitos de controle.

Relé de disco de indução

Este relé funciona segundo o princípio da indução eletromagnética e utiliza um disco giratório acionado pela interação de campos magnéticos. O movimento do disco aciona os contatos, tornando-o adequado para aplicações de alta corrente e oferecendo funções de retardo integradas.

Relé polarizado

Ao usar um ímã permanente além de um eletroímã, os relés polarizados oferecem maior sensibilidade e características direcionais aprimoradas para determinadas aplicações, como relés de proteção.

Relé diferencial

Este tipo funciona com base na diferença entre duas ou mais grandezas elétricas, sendo ideal para proteção contra falhas internas em transformadores, motores e outros dispositivos.

Relé de intertravamento

Também chamados de relés de pulso ou biestáveis, possuem dois estados estáveis ​​e mantêm sua posição mesmo após a retirada do sinal de entrada, proporcionando eficiência energética e adequação para circuitos de memória.

Relé de estado sólido (SSR)

Ao contrário dos relés eletromagnéticos tradicionais, os SSRs utilizam dispositivos semicondutores, como tiristores, para operações de comutação, garantindo operação silenciosa, tempos de comutação mais rápidos e longa vida útil devido à ausência de componentes mecânicos.

Relé molhado com mercúrio

Este tipo utiliza mercúrio como meio de contato e fornece comutação precisa e confiável, especialmente em aplicações de alta velocidade e ambientes onde pode ocorrer desgaste de contato com outros relés.

Cada tipo de relé eletromagnético tem vantagens individuais e é selecionado com base em fatores como requisitos de aplicação, classificações de tensão e corrente, tempo de resposta e condições ambientais para garantir desempenho e proteção ideais em vários sistemas elétricos.

Os valores de c e r resultam em uma mudança de fase de 60Ó. A partir dos diagramas vetoriais pode-se ver que para as correntes de seqüência positiva a tensão de saída VA +Vb A tensão aplicada ao relé é zero conforme mostrado na Fig. A abaixo, enquanto para as correntes de sequência negativa a tensão de saída é VA +Vb é de magnitude considerável para operar o relé mostrado na Fig.
Diagrama vetorial de relé de sequência de fase

O relé de sequência negativa tem o característica da lei do inverso do quadrado. isto é, eu22t = K, uma constante.2 é o componente de sequência negativa da corrente.

t = K/I22 ou seja, t α 1/I22.

O relé desarma o interruptor principal do gerador.

返回博客

發表評論

評論必須經過批准才能發布。