No complexo mundo dos sistemas elétricos, onde as correntes fluem continuamente, a importância primordial da segurança não pode ser subestimada. No meio da complexa interação de circuitos e correntes, uma sentinela silenciosa fica de guarda – o relé de falta à terra. Este artigo explora o papel notável dos relés de falta à terra e revela sua importância na orquestração de uma sinfonia de segurança em redes elétricas. Desde a sua introdução até às suas aplicações atuais, embarcamos numa jornada para compreender como estes dispositivos discretos harmonizam a proteção, garantem a integridade do sistema e protegem contra potenciais ameaças. Junte-se a nós enquanto exploramos as complexidades desses relés e iluminamos sua contribuição crucial para o mundo da engenharia elétrica.
Proteção aprimorada: Relés de falta à terra limitados
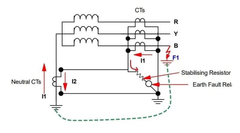
Um relé de falta à terra com potência limitada é o relé que pode ser descrito como parte de um relé diferencial. A figura mostra uma representação do relé de falta à terra com potência limitada. Esta definição se deve à sua conexão. Este relé é frequentemente usado como relé de comparação para fluxo de corrente em:
O relé de falha à terra é um relé de proteção especial que detecta e responde a falhas à terra quando elas ocorrem em uma área específica de um sistema elétrico. Ao contrário dos relés de falta à terra tradicionais que detectam faltas com base na magnitude da corrente de falta, o relé REF compara correntes em diferentes pontos para identificar potenciais pontos fracos. O relé REF pode identificar e isolar rapidamente faltas à terra monitorando o desequilíbrio de corrente entre a área protegida e o restante do sistema elétrico.Princípio de trabalho

Um relé de falta à terra funciona com base no princípio da detecção de corrente de falta, comparando as correntes que entram e saem da zona protegida. Ele usa um transformador de corrente (TC) para medir as correntes. Se o relé detectar uma diferença significativa entre essas correntes, indica a ocorrência de uma falta à terra. A força e a diferença do ângulo de fase entre as correntes ajudam a determinar a localização da falta.
1) O condutor neutro do transformador de instrumento é conectado ao ponto estrela do transformador de potência:
Em um transformador de potência, o condutor neutro do transformador de medição é geralmente conectado ao ponto estrela dos enrolamentos do transformador. Esta conexão é essencial para medições precisas e fins de proteção em sistemas elétricos.
O transformador de medição, muitas vezes na forma de transformadores de corrente (TCs) e transformadores de tensão (TPs), é responsável por reduzir as altas correntes e tensões no sistema de potência para valores que podem ser medidos com segurança e precisão por relés de proteção, medidores e outros dispositivos de monitoramento.
O ponto estrela dos enrolamentos de um transformador de potência é normalmente aterrado e representa o ponto de referência para o neutro do sistema. Conectar o neutro do transformador de medição ao ponto estrela garante que as medições do transformador de medição representem com precisão as correntes e tensões do sistema.
2) Fluxo de corrente dentro do transformador de instrumento (TC) conectado ao ponto neutro do transformador:
Quando um transformador de medição, particularmente um transformador de corrente (TC), é conectado ao ponto estrela de um transformador, o fluxo de corrente dentro do TC depende da carga e das condições do sistema. Vamos considerar um cenário típico onde o transformador está conectado em configuração estrela e o TC está conectado a uma das fases.
Sob condições normais de operação, a corrente de carga flui através do enrolamento primário do transformador de potência. Esta corrente de carga também flui através do enrolamento de fase correspondente do transformador de corrente, que está conectado em série com o enrolamento primário. O enrolamento primário do transformador de corrente possui um número significativamente maior de voltas do que o enrolamento secundário. Como resultado, o transformador de corrente reduz a corrente que flui através do enrolamento primário para uma magnitude inferior adequada para fins de medição e proteção. O enrolamento reduzido fica então disponível no enrolamento secundário do transformador de corrente para medição e conexão a dispositivos de monitoramento ou relés de proteção. Como o transformador de corrente está conectado ao ponto neutro do transformador, a corrente que flui através do condutor neutro do transformador de potência também flui através do enrolamento primário do transformador de corrente. Isso garante que o transformador de corrente meça com precisão toda a corrente que flui para dentro ou para fora do ponto estrela, incluindo correntes de fase e neutra.
Condições de erro
No caso de uma condição de erro, como: B. uma falta à terra ou um curto-circuito, a corrente de falta flui através do enrolamento primário do transformador de potência. O TC conectado ao ponto estrela do transformador também detecta esta corrente de falta.
Erros internos
Falhas externas
No caso de falhas externas (por exemplo, falhas na linha de alimentação de saída), a corrente diferencial neste caso é zero, o relé não funciona e os disjuntores não podem ser disparados.
Princípios e operação do relé diferencial

O princípio de operação de um relé diferencial baseia-se na comparação de correntes ou tensões que entram e saem de uma zona protegida dentro de um sistema elétrico. O relé é projetado para detectar e responder a falhas internas dentro da área protegida, por exemplo. B. Falhas em transformadores, geradores, motores ou barramentos.
Os relés diferenciais assumem que as correntes ou tensões que entram e saem da zona protegida devem ser equilibradas sob condições normais de operação. Este equilíbrio resulta em uma tensão desprezível no relé. Entretanto, se ocorrer uma falta interna dentro da zona protegida, as correntes ou tensões ficam desequilibradas, criando uma diferença de tensão no relé.
Aplicações de relés de falta à terra com circuito de proteção limitada
Relés de falta à terra com função limitada de falta à terra são amplamente utilizados em vários sistemas elétricos, especialmente em sistemas de alta tensão, como redes de transmissão e distribuição de energia. Eles são normalmente usados para proteger transformadores de potência, geradores, motores e outros equipamentos críticos contra faltas à terra. Ao detectar falhas de forma seletiva e rápida, os relés REF melhoram a confiabilidade do sistema, minimizam o tempo de inatividade e evitam danos a equipamentos caros.
vantagens e desvantagens
As vantagens e desvantagens dos relés de falta à terra são as seguintes:
Vantagens
Sensibilidade melhorada: Os relés REF (Restricted Earth Fault) podem detectar faltas à terra de baixa magnitude, melhorando a sensibilidade de detecção de faltas.
Detecção seletiva de erros: Os relés REF permitem a detecção seletiva e o isolamento de faltas à terra em zonas específicas, minimizando assim os distúrbios no restante do sistema elétrico.
Desvantagens
complexidade: A instalação e configuração de relés REF pode ser complexa e requer configuração cuidadosa e coordenação com outros dispositivos de proteção.
Gatilhos falsos: Configuração incorreta ou fatores externos, como correntes de fuga externas ou eventos transitórios, podem fazer com que o relé REF desarme falsamente, resultando em desligamentos desnecessários do sistema.
Conclusão
Em resumo, os relés de falta à terra demonstram o poder inovador de combinar segurança e tecnologia. Sua vigilância silenciosa e resposta rápida contribuem para um ecossistema de confiabilidade, garantindo que os sistemas elétricos equilibrem segurança e excelência operacional. À medida que avançamos para um futuro eletrificado, estes relés permanecem firmes como instrumentos essenciais, orquestrando a segurança na sinfonia em constante evolução da engenharia elétrica.