Tecnologia e Desenvolvimento

Guia para seleção de condutores elétricos: dicas e critérios

Guia para seleção de condutores elétricos: dica...

Economicamente, os condutores representam entre 20 e 40 por cento do custo total da linha de transmissão; A sua escolha é correspondentemente popular. Na era anterior da transmissão de energia,...

Guia para seleção de condutores elétricos: dica...

Economicamente, os condutores representam entre 20 e 40 por cento do custo total da linha de transmissão; A sua escolha é correspondentemente popular. Na era anterior da transmissão de energia,...

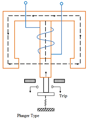
Explorando os tipos de relés eletromagnéticos

Explorando os tipos de relés eletromagnéticos

Os tipos tradicionais de relés eletromagnéticos, como eletromecânicos, eletrônicos, de travamento, de palheta, semicondutores e relés molhados com mercúrio, utilizam mecanismos como uma ou mais bob...

Explorando os tipos de relés eletromagnéticos

Os tipos tradicionais de relés eletromagnéticos, como eletromecânicos, eletrônicos, de travamento, de palheta, semicondutores e relés molhados com mercúrio, utilizam mecanismos como uma ou mais bob...

Estudando o campo magnético de um condutor circular (solenóide)

Estudando o campo magnético de um condutor circ...

Compreender os princípios que regem os campos magnéticos e condutores é essencial para explorar as complexidades do eletromagnetismo. Este artigo aborda o campo magnético gerado por um condutor cir...

Estudando o campo magnético de um condutor circ...

Compreender os princípios que regem os campos magnéticos e condutores é essencial para explorar as complexidades do eletromagnetismo. Este artigo aborda o campo magnético gerado por um condutor cir...

A importância dos tubos soltos nas instalações elétricas

A importância dos tubos soltos nas instalações ...

As instalações elétricas tiveram avanços fenomenais nos últimos anos e, no centro desses avanços, estão os condutores agrupados – os heróis anônimos dos sistemas de rede modernos. Como todo disposi...

A importância dos tubos soltos nas instalações ...

As instalações elétricas tiveram avanços fenomenais nos últimos anos e, no centro desses avanços, estão os condutores agrupados – os heróis anônimos dos sistemas de rede modernos. Como todo disposi...

Compreendendo os supercondutores tipo 1 e tipo 2

Compreendendo os supercondutores tipo 1 e tipo 2

A supercondutividade, um fenômeno que permite que a corrente elétrica flua sem resistência, poderá revolucionar o futuro dos nossos sistemas energéticos. Se você já olhou para sua conta de luz...

Compreendendo os supercondutores tipo 1 e tipo 2

A supercondutividade, um fenômeno que permite que a corrente elétrica flua sem resistência, poderá revolucionar o futuro dos nossos sistemas energéticos. Se você já olhou para sua conta de luz...

Compreendendo as propriedades notáveis dos supercondutores

Compreendendo as propriedades notáveis dos supe...

Os supercondutores são uma classe fascinante de materiais que fascina cientistas e engenheiros há décadas. Esses materiais possuem propriedades únicas que os tornam indispensáveis ​​para diversas a...

Compreendendo as propriedades notáveis dos supe...

Os supercondutores são uma classe fascinante de materiais que fascina cientistas e engenheiros há décadas. Esses materiais possuem propriedades únicas que os tornam indispensáveis ​​para diversas a...