Falta de giro do estator e proteção limitada contra falta à terra

Falta de giro do estator e proteção limitada contra falta à terra

Proteção limitada contra falta à terra por sistema de proteção diferencial_thumb3-1

Proteção contra curto-circuito do enrolamento do estator

De volta em volta ou enrolamento curto no mesmo enrolamento de fase do estatornunca pode ser capturado por porcentagem Relé de proteção diferencialque também é chamado de modificado Relé diferencial de preço MerzIsso ocorre porque a corrente produzida por esses tipos de faltas flui em um circuito local entre os enrolamentos afetados e não produz diferença entre as correntes que entram e saem do enrolamento nas duas extremidades onde os transformadores de corrente são colocados.
Se isso estator só tem uma bobina por slot, enrolamento curto não pode ocorrer. Se houver várias bobinas por slot, Falha entre espiras provável que aconteça.
Em vez de um relé diferencial em série Relé diferencial cruzado está acostumado com Falha entre os enrolamentos do estator.
Em estatores multienrolamentos, como os utilizados em geradores hidrelétricos, cada enrolamento de fase é dividido em duas metades porque devem transmitir correntes muito elevadas.
entre252520volta252520proteção252520de252520paralelo252520ferida252520geradores_thumb25255b425255d-3003200
Gerador de enrolamento paralelo:
O diagrama esquemático de um proteção diferencial transversal pré-carregada para Enrolamento do estator em curto é mostrado na figura acima.
Este tipo de proteção requer precauções especiais de enrolamento. Para identificar a falta ocorrida entre espiras, cada enrolamento (fase) é dividido em duas partes conforme mostra a figura. Em condições normais, a corrente através dos dois enrolamentos é igual. Portanto, as correntes através do enrolamento secundário dos dois TCs são iguais e nenhuma corrente flui através da bobina de operação do relé, portanto o relé não funciona. Se ocorrer uma falta entre as espiras, a corrente através dos dois TCs não é igual e, portanto, a diferença na corrente flui através da bobina de operação do relé. O relé energiza e fecha o circuito de disparo para isolar as seções defeituosas.

Gerador com um enrolamento por vetor de fase e enrolamento paralelo inacessível

inter252520turn252520fault252520detection_thumb25255b225255d-3134265
Este tipo de proteção utiliza componentes de seqüência zero da tensão causada pela redução da força eletromotriz na fase defeituosa. Quando o erro ocorre, a tensão zero do sistema aparece acima Enrolamento terciário de Conversor de voltagem que está conectado à bobina operacional do relé direcional de três elementos e, portanto, opera o relé.

Proteção limitada contra falta à terra através de sistema diferencial

Se o fio neutro do gerador firmemente aterradoé possível proteger enrolamentos completos contra Erro fase-terra.
Como o neutro é aterrado através de um resistor para limitar a corrente de falta à terra, com este tipo de aterramento não é possível proteger todo o enrolamento contra falta à terra e a porcentagem de enrolamento protegido depende do valor da resistência de aterramento do neutro e do relé contexto . A configuração deve ser feita de forma que a proteção não seja para Falhas à terra na página EHV. É improvável que ocorram faltas à terra perto do neutro, onde a tensão relativa à terra é mais baixa. É prática comum proteger cerca de 80 a 85% do enrolamento do gerador contra faltas à terra. Os restantes 20 a 15% do enrolamento do lado neutro permanecem desprotegidos pelo relé diferencial. Portanto, um separado Proteção contra falha à terra destina-se a proteger todo o enrolamento contra falhas à terra.
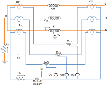
restrito252520Terra252520Erro252520Proteção252520por252520Diferencial252520Sistema_Thumb25255b325255d-6663713
Se houver uma falta à terra no enrolamento do gerador (GW), a corrente residual é IFflui através de parte do enrolamento e do circuito neutro-terra. A corrente secundária IS correspondente flui através da bobina de operação (OC) e do Falta à terra limitada (REF) Bobina do relé de proteção diferencial conforme mostrado na figura acima.
Fase-falta-terra-desprotegida-wi25255b125255d-3353551
Se a falta à terra IF ocorre no ponto F do enrolamento do gerador, Vaf está disponível para acionar a corrente de falta à terra IF através da conexão entre neutro e terra. Se o ponto 'F' estiver mais próximo de 'a', ou seja, mais próximo do neutro, a tensão de força é Vaf é relativamente baixo. Portanto, a corrente de falta à terra é IF será pequeno. Não é prático manter o ajuste do relé muito sensível para detectar correntes de falta à terra de pequena magnitude. Portanto, a prática é proteger cerca de 85% do enrolamento do gerador contra faltas fase-terra e deixar a porção de 15% desprotegida pela proteção diferencial contra faltas à terra.
O resistor R limita a corrente de falta à terra conforme mostrado na figura acima. Se R for muito pequeno, o aterramento sólido não será usado. O aterramento sólido é limitado a 3,3 KV. Com aterramento de baixa resistência, a resistência R é tão alta que a corrente total flui através do neutro para garantir uma tensão total entre o condutor e o neutro. Para um gerador de 60 MW, a resistência é tão alta que a terra tem cerca de 200 A. Para aterramento de alta resistência, a corrente máxima de falta à terra é da ordem de 10A, o que normalmente é o caso de transformadores de distribuição e unidades transformadoras de gerador. Se a resistência do condutor neutro for maior, a corrente de falta à terra será reduzida. Portanto, uma porcentagem menor do enrolamento é protegida pela proteção limitada de falta à terra.
返回博客

發表評論

評論必須經過批准才能發布。