O teclado é o dispositivo de entrada mais amplamente utilizado para fornecer informações do mundo externo ao microcontrolador. O teclado torna o aplicativo mais interativo para os usuários. O conceito de interface de um teclado com o ATmega16 é semelhante à interface com qualquer outro microcontrolador. O artigo Interface do teclado com 8051 pode ser consultado para descrição detalhada da metodologia utilizada aqui. Este artigo explica a interface de um teclado 4×3 com o microcontrolador AVR (ATmega16) e a exibição da saída em um LCD.
O algoritmo e a explicação detalhada da interface do teclado são fornecidos no artigo mencionado acima. As breves etapas para conectar o teclado ao AVR estão descritas abaixo:
1. Configure os pinos de linha ou de coluna.
2. Coloque todos os pinos de saída em baixo e os pinos de entrada em alto.
3. Continue monitorando o valor da porta onde o teclado está conectado.
enquanto(1)
4. Se houver alguma alteração no valor da porta, coloque um dos pinos de saída da porta em zero e deixe tudo alto.
verificação nula 1 (nula)
{
//DDRD = 0xf0;
bloco =0b11111110;
//pad &= (0<5. Se algum pino de entrada for zero, grave os dados do pino específico no LCD, caso contrário, continue com a etapa (4).
Código-fonte do projeto
###
// Programa para obter entrada do teclado e exibi-la no LCD.
###
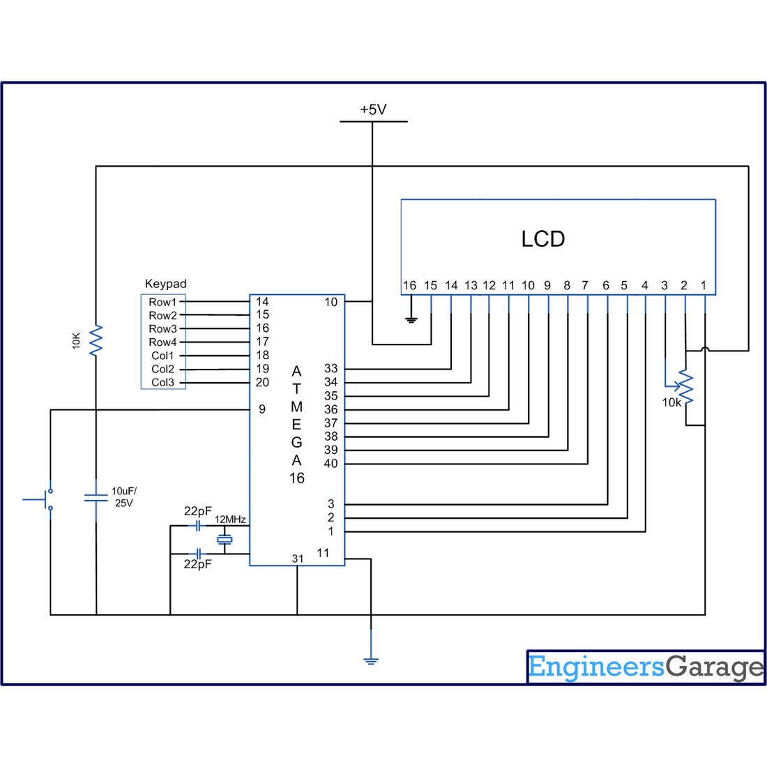
Diagramas de circuito
| Diagrama de circuito de como fazer a interface do teclado com o microcontrolador AVR-ATmega16 | ![]() |
Componentes do Projeto
- ATmega16
- LCD
- Predefinido
