O que é uma válvula de esfera forjada?
Uma válvula de esfera forjada é uma válvula que usa um componente esférico para abrir e fechar o fluxo de fluido. A torneira é feita através de um processo de forjamento. O processo de forjamento envolve a formação de materiais metálicos e ligas em seu estado sólido. As ferramentas industriais e o calor criam forças de compressão que dobram as ligas e os metais. As matrizes também são usadas para moldar e cortar os materiais para a válvula de esfera forjada. Dependendo do material utilizado na fabricação da torneira, o forjamento pode ser realizado em diferentes temperaturas. A fabricação pelo processo de forjamento apresenta algumas vantagens, como: B. Economia de materiais. Além disso, como essas torneiras são feitas pelo processo de forjamento, pouco esforço é necessário para moldar o material no formato e tamanho corretos, reduzindo o custo geral da torneira. A maioria dos usuários de torneiras prefere válvulas de esfera forjadas porque são robustas, tornando-as ideais para uso em aplicações de alta pressão e alta temperatura. Além disso, o processo de forjamento refina a estrutura granular do material, resultando em maior resistência geral e resistência ao impacto.

Ilustração: Válvula de esfera forjada
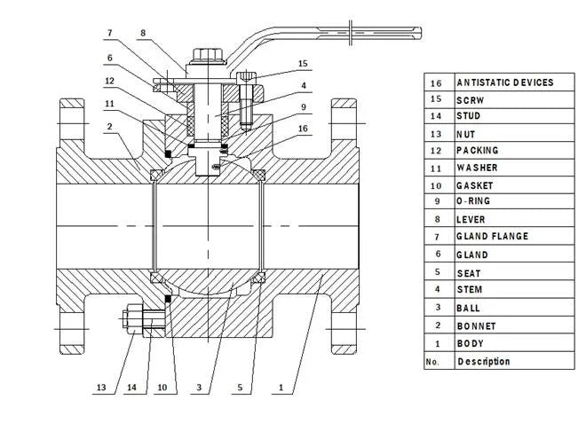
Componentes de uma válvula de esfera forjada
Alavanca manual/volante
O volante ou alavanca manual em uma válvula de esfera forjada é usado pelo operador da válvula para aplicar força para girar a válvula para abrir ou fechar o fluxo de fluido.
tronco
A haste de uma válvula esférica forjada conecta a esfera ao volante. Ele garante que a força seja transferida da alavanca manual para a esfera quando o operador precisar acionar a torneira.
bola
É um componente esférico com um furo passante. A esfera abre o fluxo do fluido quando o furo se alinha com o tubo que transporta o fluido e fecha quando alinhado em um ângulo de 90°.Ó graus para o mesmo tubo. A função da bola é fechar ou abrir a válvula conforme necessário.
Assento
A sede da válvula é um componente que tem como objetivo vedar o interior da válvula e distribuir uniformemente a tensão na sede esférica. Também evita que o fluido vaze entre a esfera e o corpo da válvula quando a válvula está fechada. Os fabricantes de válvulas de esfera forjadas fabricam as sedes das válvulas em materiais metálicos ou macios, como borracha e plástico. A escolha da sede da válvula depende da área de aplicação e da temperatura esperada do líquido. As sedes metálicas das válvulas são usadas para líquidos quentes, enquanto as sedes metálicas das válvulas são usadas para temperaturas abaixo de 65°C.ÓC, são usados materiais macios.
Corpo da válvula
O corpo da válvula, também chamado de carcaça da válvula, cobre todas as partes internas da bomba, como esfera, sedes de válvula, vedações e anéis. O corpo fornece as portas de entrada e saída da válvula para fluxo de fluido. Também ajuda a evitar a entrada de contaminantes e sólidos na bomba.
Capô do motor
O exaustor é montado no corpo da válvula e os dois são conectados com parafusos e porcas. A função do capô é cobrir a haste da válvula e a junta. Também aumenta a segurança do eixo e da vedação.
Embalagem
Uma gaxeta é uma vedação que evita vazamento de fluido ao redor do fuso. Também evita que sujeira e sólidos entrem na bomba através do eixo.

Figura: Componentes de uma válvula esfera forjada.
Como funciona uma válvula de esfera forjada?
Uma válvula de esfera forjada fecha ou abre o fluxo de fluido dependendo de como o orifício central da esfera está alinhado com a porta de entrada da válvula. A bola recebe a força para abrir/fechar através do eixo do volante ou da alavanca manual. A válvula abre quando o volante é girado no sentido horário até formar um ângulo de 90°.Ó Grau. Girar o volante força o fuso a girar. Como o fuso e a esfera estão conectados, a esfera também gira no sentido horário. Um quarto de giro da esfera alinha o furo em seu centro com a entrada da válvula e o tubo conectado à válvula. Isso manterá a válvula aberta e permitirá que o fluido flua através da válvula.
A válvula fecha quando o volante é girado mais 90Ó Grau. Isso tornará o orifício central da esfera perpendicular ao tubo conectado à válvula. Este arranjo fecha o caminho do fluxo do líquido e fecha a válvula. A sede da válvula dificulta o escape ou o fluxo do fluido através da válvula. A válvula também pode ser usada para estrangulamento girando levemente a alavanca manual. Isso permite que uma certa quantidade de líquido flua. No entanto, a utilização de uma válvula de esfera forjada para restringir o fluxo sob condições de alta pressão resultará num desgaste rápido das sedes da válvula.

Figura: Como funciona uma válvula de esfera forjada.
Tipos de válvulas de esfera forjadas
Válvulas de esfera de ferro forjado de três vias
Este tipo de válvula possui três portas, ao contrário da maioria das válvulas que possuem duas portas (portas de entrada e saída). Os fabricantes de válvulas esféricas forjadas desenvolvem esta válvula para misturar e desviar fluxos de fluidos em diversas aplicações industriais. Esta válvula é vantajosa porque realiza o trabalho que duas ou mais válvulas podem realizar. A válvula é operada girando a esfera usando o volante. A rotação da esfera alinha seus canais de corte central com as portas de entrada e saída da válvula. Duas versões da válvula são a versão T e a versão L. A válvula de recesso em forma de L permite que o fluido flua em um ângulo de 90°.Ó graus de uma conexão para outra. A válvula possui duas entradas e uma saída. A válvula em forma de L permite que o fluido flua de duas entradas diferentes em um ângulo de 90 graus em relação à saída.Ó Grau.

Figura: Válvula de esfera forjada T e L.
A válvula em forma de T também é conhecida como válvula de esfera mista forjada. Também é usado para direcionar o fluxo de fluido da direita, esquerda ou direto. Como a válvula pode combinar dois fluxos de fluido em um fluxo de saída, esta válvula é adequada para aplicações onde é necessário misturar fluidos, como: B. nas indústrias química e farmacêutica.

Figura: Válvula de esfera forjada de três vias
Válvula de esfera forjada com entrada lateral.
Uma válvula de esfera forjada de entrada lateral é uma válvula na qual a esfera é montada pelas laterais. O conjunto conecta duas ou três partes do corpo da válvula. Parafusos ou parafusos conectam as partes individuais do corpo em duas partes. A montagem ocorre após forjar as partes individuais do corpo da válvula. Os tipos de válvula de entrada lateral têm a vantagem de menos defeitos, o que é comum na fabricação da válvula pelo processo de fundição. A válvula também tem a vantagem de ser fácil de montar e as peças de acabamento serem fáceis de alinhar. Estas válvulas são amplamente utilizadas no mercado e na indústria porque são fáceis de montar, reparar e limpar.

Figura: Válvula esfera forjada com entrada lateral.
Válvula de esfera forjada com acesso superior.
Para uma válvula de esfera forjada com entrada superior, a esfera é montada por cima. Esta torneira é semelhante à torneira direta, mas usa uma bola para controlar o fluxo do fluido. O galo consiste em um único corpo. Os fabricantes de válvulas esféricas forjadas recomendam esta válvula para uso onde a desmontagem para manutenção de peças internas é mínima. Esta torneira é sólida e adequada para aplicações pesadas com altas vazões e alta pressão. O design desta torneira permite uma conexão roscada mínima, reduzindo a possibilidade de vazamento de fluido.

Figura: Válvula esfera forjada com entrada superior.
Válvula de esfera forjada de peça única.
Trata-se de uma válvula esfera forjada cujo corpo é constituído por uma única peça. Este tipo de válvula é muito confiável, pois quase não há vazamento de fluido, o que é comum em outras válvulas cujo corpo é conectado por parafusos. A válvula também tem a vantagem de ser pequena e barata. Contudo, o corpo desta válvula não pode ser aberto para reparos, manutenção ou limpeza. Depois que a válvula estiver quebrada, ela não será mais útil. A válvula de esfera forjada de corpo único é mais adequada para aplicações de baixa vazão e baixa pressão, onde o fluido limpo é livre.

Figura: Válvula de esfera forjada de peça única.
Válvula de esfera com corpo bipartido e corpo forjado.
Esta é uma válvula de esfera forjada que consiste em duas partes do corpo da válvula. Uma das peças contém a conexão final e o corpo, enquanto a segunda parte é fixada na primeira parte para fixar a tampa da válvula na posição correta. Uma das principais vantagens desta válvula é que ela é fácil de montar e desmontar para reparos, manutenção e limpeza. Porém, para separar as duas partes, ela deve ser totalmente removida do sistema de encanamento. Em comparação com o tipo de corpo único, esta válvula é muito melhor, pois pode tolerar pressão e fluxo mais elevados e é reparável.

Figura: Válvula de esfera forjada de duas peças.
Aplicações de válvulas esfera forjadas
- Válvulas de esfera forjadas são usadas em usinas de energia para regular o fluxo de água em alta pressão e altas temperaturas.
- Eles são usados em estações de dessalinização e tratamento de água.
- Essas válvulas são usadas para controlar o fluxo de água no sistema de irrigação.
- Válvulas de esfera forjadas são usadas em fábricas de produtos químicos para controlar o fluxo de reagentes.
- Eles são usados na indústria farmacêutica.
- Essas válvulas são usadas em fábricas de processamento de alimentos e bebidas.
- Eles são usados para transportar água municipal e doméstica.
- Válvulas de esfera forjadas são usadas para controlar o fluxo de óleo e gás.
Vantagens das válvulas de esfera forjadas
- Estas válvulas são robustas contra alta pressão e altas temperaturas.
- Dependendo do material do assento, podem ser utilizados tanto para baixas como para altas temperaturas.
- As válvulas esfera forjadas estão disponíveis em vários tamanhos, tornando-as adequadas para aplicações de pequena a alta pressão.
- Elas têm uma longa vida útil quando usadas de acordo com as instruções do fabricante da válvula esférica forjada.
- Estas válvulas possuem um design simples e compacto, o que as torna fáceis de reparar, limpar e manter.
- Eles abrem e fecham rapidamente e economizam tempo.
- Eles fornecem vedações herméticas sem vazamentos de fluido.
- As válvulas de esfera forjadas são fáceis de operar.
- Eles podem ser usados em uma ampla gama de aplicações industriais.
Desvantagens das válvulas de esfera forjadas
- Ao controlar líquidos turvos, ocorre desgaste rápido da sede da válvula e da esfera da válvula.
- A válvula fecha e abre rapidamente, causando sobrepressão e falha de martelamento.
- Eles não são adequados para aplicações de controle de fluxo.
Solução de problemas de válvulas de esfera forjadas
O líquido não flui pela válvula
- Corpos estranhos na válvula. Desmonte a válvula de acordo com as instruções do fabricante da válvula esférica forjada e remova quaisquer sólidos que estejam bloqueando a válvula.
- A válvula está fechada. Gire a válvula um quarto de volta para abrir o fluxo de fluido.
- Bloqueio de tubulação. Inspecione o tubo e remova quaisquer materiais que possam bloquear o fluxo do fluido.
Vazamento pelo assento
- O assento está danificado. Substitua a sede da válvula.
- O assento está obstruído com objetos estranhos. Remova os objetos estranhos.
- Pressão excessiva do fluido. Use a válvula na pressão recomendada pelo fabricante da válvula esférica forjada.
Vazamento através da vedação da carcaça
- Os parafusos que conectam o tubo à válvula estão soltos. Aperte os parafusos e porcas.
- O fluxo de fluido está sob alta pressão. Certifique-se de que a válvula seja usada na pressão recomendada pelo fabricante da válvula esférica forjada.
- A vedação da caixa está danificada. Substitua a junta.
A válvula é difícil de operar
- Corpos estranhos aderem ao eixo. Abra a tampa da válvula e remova objetos estranhos.
- Sede defeituosa. Substitua a sede da válvula.
Válvulas de esfera forjadas são válvulas de esfera fabricadas usando um processo de forjamento. Neste processo, a válvula é formada a partir de materiais metálicos, aquecendo-os a uma determinada temperatura. O resultado deste processo são válvulas de alta resistência, adequadas para altas pressões e altas temperaturas. A válvula é operada girando o volante um quarto de volta. Girar o volante no sentido horário abre a válvula, permitindo que o fluido flua. Girar o volante no sentido anti-horário fecha o fluxo de fluido.
Os fabricantes de válvulas esféricas forjadas oferecem diversas variações desta válvula, incluindo válvulas esféricas forjadas de peça única, válvulas esféricas forjadas de entrada superior, válvulas esféricas forjadas de entrada lateral e válvulas esféricas forjadas de três vias. As aplicações desta válvula incluem abastecimento municipal de água, processamento químico, alimentos e bebidas, irrigação, produtos farmacêuticos e usinas de energia, entre outros. As vantagens desta válvula são sua operação rápida, alta resistência, tamanhos versáteis, durabilidade e adequação para diversas aplicações industriais.























































