As válvulas de esfera de entrada superior são válvulas nas quais a esfera é montada na extremidade superior. São semelhantes a uma válvula esfera com corpo e tampa, exceto que a parte interna utiliza uma esfera. Eles consistem em uma única unidade. As válvulas de esfera de entrada superior são geralmente feitas de metal fundido. Como são feitos de fundição, são necessários alguns testes não destrutivos adicionais para garantir que não haja defeitos no processo de fundição. As válvulas esfera de entrada superior são frequentemente usadas em aplicações onde a desmontagem limitada é necessária para manutenção em linha de componentes internos. Também é muito comum a utilização de entradas de válvulas esfera de alta pressão que necessitam de manutenção constante, como: B. Válvulas HIPPS (Sistema de Proteção de Pressão de Alta Integridade), etc. A vantagem da válvula esfera de entrada superior é seu design que permite interação limitada da rosca para que o possível caminho de vazamento também possa ser minimizado.

O que é uma válvula esférica de entrada superior?
As válvulas de esfera são amplamente utilizadas em oleodutos e gasodutos e máquinas nas indústrias de petróleo, refinaria, petroquímica, química, metalúrgica, elétrica, nuclear, alimentícia e de papel.
Devido às condições ambientais e operacionais especiais do processo, uma válvula de esfera convencional não é suficiente e o sistema requer alto desempenho. A estrutura de acesso superior elimina a necessidade de remover a válvula esférica da linha durante a manutenção ou substituição da sede. Portanto, verificar e manter a válvula esférica é fácil.
Normalmente, a configuração de entrada superior altera a posição da sede usando uma cunha ou sede roscada na parte externa. No entanto, a cunha externa melhora o ponto de vazamento externo e reduz a eficiência da vedação, enquanto a sede da rosca das válvulas de grande diâmetro é rapidamente destruída e a vida útil é reduzida. Considerando as condições acima, uma estrutura de entrada superior consistente é projetada de modo que a sede da válvula consiste em um círculo externo em forma de V projetado para ser inclinado em direção à porção de contato da haste de controle. Isto reduz a tensão na haste de controle e na superfície de contato da válvula de gatilho para maximizar a vida útil. Além disso, a geometria do círculo externo em forma de V permite que a sede da válvula seja separada do corpo da válvula ao remover a sede da válvula.
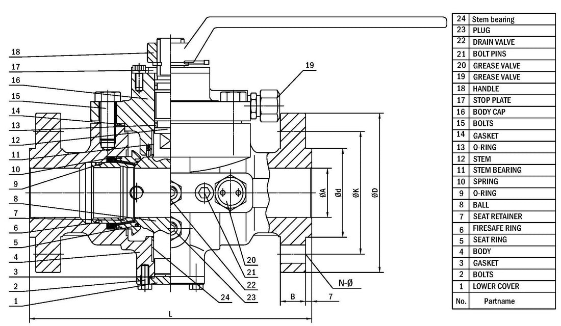
Como funciona uma válvula esfera com função de entrada superior?
As válvulas de esfera possuem uma esfera sustentada por um pino na parte inferior. Quando o furo fica voltado para a linha, a válvula está na posição aberta, permitindo a entrada do fluido. O eixo começa a se mover para baixo e gira 90° devido aos canais embutidos nele, fazendo com que a bola gire na mesma direção. Então alguns dos canais são usinados e o eixo não pode simplesmente descer.
Neste caso, o eixo conduz a bola para o pivô inferior e para o assento graças à superfície inclinada. A bola só atinge o assento nesta posição e não há pressão durante o resto do movimento.
As válvulas esfera de entrada superior vêm em duas configurações principais:
Furo total: O tamanho da tampa é o mesmo da linha.  Neste caso a válvula é ideal para pigging.
Diâmetro reduzido: A altura do revestimento é menor que o tamanho da tubulação.
Tipos de válvulas esfera com conexão de entrada superior.
Válvula de esfera com montagem em torneira e acesso superior
A válvula esférica montada em munhão superior foi projetada e construída especificamente para baixo torque operacional e manutenção rápida. O corpo robusto e de peça única permite fácil acesso ao eixo e à esfera para reparos em campo. As válvulas esfera munhão de montagem superior estão disponíveis em uma variedade de configurações com extremidades flangeadas ou soldadas em vários tamanhos. Os recursos padrão da válvula de esfera montada em munhão superior incluem bloqueio duplo e sangramento, design à prova de fogo, injeção de selante de emergência e almofada de montagem ISO, que também dependem do fabricante. Uma haste/cobertura estendida para operação subterrânea também é uma alternativa padrão à válvula esfera montada em munhão superior.

Válvulas esfera flutuantes com acesso superior
As válvulas de esfera flutuante de entrada superior são usadas principalmente para controle de fluidos em vapor, fervura e outras aplicações gerais de sistemas industriais. A válvula de esfera flutuante de entrada superior é uma válvula com uma esfera que flutua no corpo da válvula, flutua para o lado a jusante e pressiona firmemente contra a sede sob pressão média para garantir a confiabilidade da vedação. Possui estrutura simples e boa capacidade de vedação, mas o material da sede precisa se adaptar porque a pressão de vedação é suportada pelo anel da sede.

Quais são as vantagens e características de uma válvula esfera de entrada superior?
A VÁLVULA DE ESFERA DE ENTRADA SUPERIOR é usada principalmente em tubulações e sistemas industriais, e possui entrada superior e função de manutenção de linha. Tem muitas vantagens, como baixa resistência a fluidos, design simples, volume compacto, peso leve, salga confiável, fácil reparo e controle, fácil abertura e fechamento e partida e fechamento flexíveis.
A principal diferença da válvula esfera padrão é que ela pode ser fixada na tubulação mesmo sem desmontagem. A configuração do banco traseiro é personalizada para o banco e a parte traseira do suporte do banco é inclinada para evitar que contaminantes afetem o banco traseiro.
Um corpo de peça única é usado para garantir resistência e rigidez suficientes na pressão operacional nominal mais alta do corpo. Os componentes internos da válvula são especialmente projetados e selecionados para garantir estabilidade em todas as condições operacionais. Espessura suficiente da parede da borda e adaptação a parafusos de conexão de alta resistência são convenientes para a manutenção da válvula e a capacidade de suportar a pressão do tubo.
Válvula de esfera com entrada superior vs. válvula de esfera com entrada lateral.
Esses conceitos de válvula esfera referem-se à maneira pela qual a esfera da válvula e seus componentes internos podem ser acessados, seja pela lateral da válvula ou pela parte superior da válvula (entrada superior).
O projeto de entrada superior é usado quando são necessárias operações repetidas de manutenção em linha na válvula. Isso ocorre porque as válvulas de esfera de entrada superior fornecem acesso cada vez mais rápido ao conjunto de esfera e válvula do que as válvulas de entrada lateral, que exigem mais tempo e espaço de reparo para as mesmas operações.
Os dois tipos de válvulas esféricas podem ser distinguidos da seguinte forma:
As válvulas esfera de acesso superior são geralmente fabricadas com corpo de aço fundido, enquanto as válvulas esfera de acesso lateral são feitas de chapa de aço (robusta).
As válvulas esfera de entrada superior têm construção monolítica (feitas em uma única peça), enquanto as válvulas de entrada lateral consistem em dois ou três conjuntos.
Devido às suas peças fundidas, as válvulas esfera com função de entrada superior requerem mais testes não destrutivos do que as válvulas esfera com função de entrada lateral.  As válvulas de entrada lateral são mais fáceis de instalar e montar do que as válvulas de entrada superior, que levam muito tempo e exigem muito trabalho artesanal para funcionar corretamente.
As válvulas de esfera de entrada superior são normalmente mais caras do que as válvulas de entrada lateral e têm prazos de entrega mais longos devido aos processos de fundição usados para produzir o corpo.
 
               
            






















































