A proteção de barramentos é crucial para garantir um fluxo de energia confiável e ininterrupto em redes de energia complexas. O coração desses sistemas de proteção é o barramento, um componente importante que conecta múltiplas linhas de transmissão de entrada e saída. Mas tal como navegar numa cidade movimentada com os seus vários meios de transporte – carros, autocarros, bicicletas e peões – os barramentos estão sujeitos a falhas devido a falhas de isolamento e problemas mecânicos.
Este artigo aborda a importância da proteção da zona de barramentos na segurança dos sistemas de potência e examina as causas mais comuns de falhas nos barramentos. Ao examinar os paralelos entre os barramentos e a dinâmica complexa de uma cidade, os engenheiros e operadores de energia podem obter informações valiosas para melhorar a confiabilidade da rede, minimizar o tempo de inatividade e mitigar efetivamente possíveis interrupções. Junte-se a nós enquanto examinamos os aspectos críticos da proteção da zona de barramentos e descobrimos as causas subjacentes das falhas nos barramentos.
Necessidade de proteger zonas de ônibus

A proteção de barramento ou proteção de zona de barramento inclui, além do próprio barramento, dispositivos como disjuntores, seccionadores, instrumentos, transformadores, etc. Embora as faltas na zona de barramento sejam raras, a experiência mostra que a proteção de barramento é altamente desejável em estações grandes e importantes.
Além disso, a proteção das zonas de barramento é urgentemente necessária porque o nível de falha no barramento é muito alto e as localizações no barramento levam à interrupção do fornecimento de energia para uma grande parte do sistema. Uma falha no barramento tende a ser significativamente mais grave em termos de segurança pessoal, estabilidade do sistema e danos ao equipamento.
As propriedades desejáveis de Proteção de zona de ônibus inclui o seguinte:
-
Alta velocidade (menos de três ciclos)
-
Estabilidade em caso de erros externos
-
Distinguir entre erros na zona de proteção e erros em outros lugares.
-
Liberdade de operações indesejadas
-
Nenhuma operação devido à saturação do TC ou oscilação de potência
-
Controle separado do circuito de disparo de cada disjuntor
-
Intertravamento de proteção de sobrecorrente para desarmar a unidade geradora quando o ponto de ônibus atua na zona de espera.
-
Religamento não automático, sem disparo do disjuntor unipolar em caso de falha no barramento.
Causas de falhas no barramento
-
Falha do isolador de suporte com faltas à terra resultantes
-
Flashover através do isolador de suporte causando flashover devido a sobretensão.
-
Isolador altamente contaminado causando flashover devido a sobretensão
-
Falha de outros dispositivos conectados
-
Terremoto, danos mecânicos
-
Objetos estranhos que caem acidentalmente sobre o disjuntor de corrente residual
-
Erros na operação e manutenção do quadro
A eliminação de falhas no barramento requer a abertura de todas as ramificações do circuito da zona ou seção do barramento com falha.
Proteção de zona de barramento através de princípio diferencial
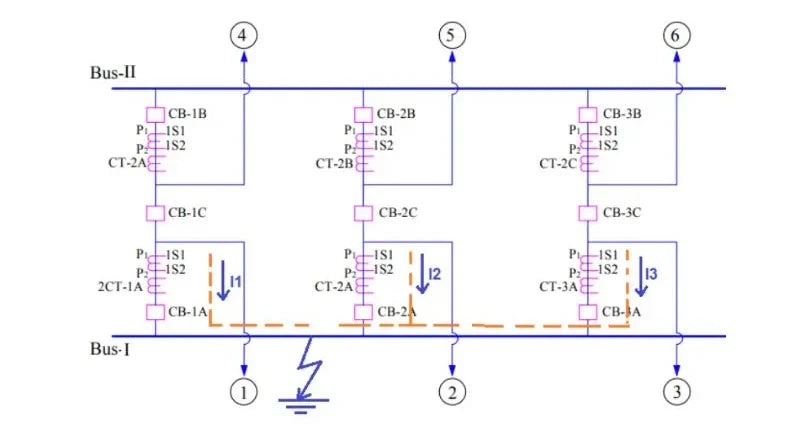
Um esquema simples de proteção diferencial é mostrado na figura abaixo. Baseia-se no princípio simples da corrente circulante de que, sob condições normais de carga ou condições de falta externa, a soma das correntes que entram nos barramentos é igual à soma das correntes que saem dos barramentos, ou seja, I1 + eu2 = eu3 + eu4 + eu5.
Portanto, nenhuma corrente flui através do relé e ele não funciona. Quando ocorre uma falta nos sistemas, seja uma falta fase-fase ou fase-terra, a soma dessas correntes é diferente de zero e alguma corrente flui através do relé e faz com que o relé opere e isole o defeito. seção. Vento no relé indica uma falha dentro da zona protegida. Isto inicia a abertura das chaves do gerador CB.1 e CB2 e cada disjuntor CB3CB4, e CB5, incluindo a chave de barramento CB6.
Neste tipo, os barramentos podem ser divididos em seções para identificar a falta naquela seção.
A principal desvantagem deste tipo de proteção diferencial é a diferença nas condições magnéticas dos TCs (transformadores de corrente) com núcleo de ferro, o que pode causar mau funcionamento do relé em caso de falha externa. Mesmo com TCs idênticos com grandes núcleos de ferro para evitar a saturação nas correntes máximas de falta, a componente CC transitória apresenta dificuldades devido ao seu lento decaimento. A polarização de relés diferenciais melhora significativamente a estabilidade, mas não é uma solução completa. Pode-se observar que um relé diferencial de barramento de alta resistência pode distinguir melhor entre faltas internas e externas do que um relé normal de baixa resistência. Em outras palavras, a relação entre a corrente do relé durante uma resposta interna e a corrente do relé durante uma resposta externa é maior quando a impedância do relé é maior.

Para superar as dificuldades de um transformador de corrente com núcleo de ferro, às vezes é usado um tipo especial de transformador de corrente com núcleo sem ferro, também chamado de acoplador linear. Em um acoplador linear, a tensão secundária é proporcional à corrente primária. Os enrolamentos secundários de todos os acopladores na mesma seção do barramento são conectados em série ao relé, conforme mostrado na figura. A soma de suas saídas de tensão corresponde à soma vetorial das tensões nos circuitos conectados aos barramentos.
Conclusão
Em resumo, proteger zonas de barramentos e solucionar falhas de barramentos são de extrema importância para manter a confiabilidade e a eficiência dos sistemas de energia. Sistemas de proteção robustos e tecnologias avançadas são cruciais para detectar e remediar vulnerabilidades. Os operadores da rede elétrica devem priorizar a manutenção e monitoramento dos barramentos e investir nos equipamentos e treinamento necessários. Ao melhorar continuamente a proteção da zona de barramentos e adotar estratégias proativas de gestão de falhas, a indústria energética pode garantir o fornecimento de energia ininterrupto e melhorar a resiliência dos sistemas de energia modernos face aos desafios em constante evolução.
Artigo relacionado
Relé de proteção de barramento
Perguntas frequentes
O que é proteção de barramento e por que ela é importante?
A proteção de barramentos refere-se às medidas para proteger os barramentos. São trilhos condutores utilizados para distribuir energia elétrica dentro de uma subestação ou painel. A proteção dos barramentos é fundamental, pois falhas ou falhas desses componentes podem resultar em interrupções significativas no fornecimento de energia e possíveis danos ao equipamento.
Que diferentes tipos de sistemas de proteção de barramentos existem?
Vários sistemas de proteção de barramento estão disponíveis, incluindo proteção diferencial, proteção de alta impedância e proteção contra sobrecorrente. Cada projeto apresenta vantagens e é adequado para diferentes aplicações dependendo do tipo de falta, nível de tensão do sistema e requisitos operacionais.
Como funciona a proteção diferencial em barramentos?
A proteção diferencial compara as correntes que entram e saem da zona protegida do barramento. Se os guinchos não estiverem balanceados dentro das tolerâncias especificadas, isso indica uma falha no sistema. Este esquema depende de transformadores de corrente e relés de proteção para detectar e isolar faltas com precisão, garantindo a integridade do sistema de barramentos.
Quais são as principais considerações ao selecionar um sistema de proteção de barramento?
Ao selecionar um sistema de proteção de barramentos, vários fatores devem ser considerados. Estes incluem o nível de tensão do sistema, o número e a disposição dos barramentos, os níveis de corrente de falta, o tempo de operação desejado, os requisitos de confiabilidade e a relação custo-benefício geral do sistema de proteção.
Como as falhas de barramento são detectadas usando sistemas de proteção de barramento?
As faltas no barramento são detectadas monitorando as correntes que entram e saem da zona protegida do barramento. Se houver um desequilíbrio entre as correntes de entrada e saída, isso indica uma falha. Os relés de proteção, configurados com configurações de resposta e atrasos de tempo apropriados, detectam esses desequilíbrios e tomam as ações necessárias para isolar a seção defeituosa e restaurar a estabilidade do sistema.