Construção Civil

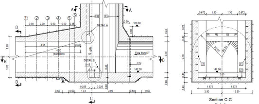
Projeto e construção de junções de túneis
O planejamento e construção de junções de túneis é uma tarefa exigente para os planejadores e a equipe de construção. Vamos discutir isso em detalhes. Um túnel é uma estrutura...
Projeto e construção de junções de túneis
O planejamento e construção de junções de túneis é uma tarefa exigente para os planejadores e a equipe de construção. Vamos discutir isso em detalhes. Um túnel é uma estrutura...

Cobertura de reforço nominal de acordo com o Eu...
Segundo o Eurocode 2, a proteção anticorrosiva depende da cobertura nominal da armadura e da formação de fissuras no concreto. Além disso, a densidade do concreto, a relação água-cimento, a...
Cobertura de reforço nominal de acordo com o Eu...
Segundo o Eurocode 2, a proteção anticorrosiva depende da cobertura nominal da armadura e da formação de fissuras no concreto. Além disso, a densidade do concreto, a relação água-cimento, a...

Redistribuição de momentos em vigas de concreto...
O que é redistribuição de momento? A resposta não é totalmente simples. A redistribuição de momentos em vigas de concreto ocorre por diversos motivos. Alguns deles estão relacionados à análise...
Redistribuição de momentos em vigas de concreto...
O que é redistribuição de momento? A resposta não é totalmente simples. A redistribuição de momentos em vigas de concreto ocorre por diversos motivos. Alguns deles estão relacionados à análise...

20 fatores que afetam a durabilidade do concreto
Compreender os fatores que afetam a durabilidade do concreto é fundamental para determinar a vida útil das estruturas. Vamos falar sobre a durabilidade do concreto. Ao definir durabilidade, outros ...
20 fatores que afetam a durabilidade do concreto
Compreender os fatores que afetam a durabilidade do concreto é fundamental para determinar a vida útil das estruturas. Vamos falar sobre a durabilidade do concreto. Ao definir durabilidade, outros ...

6 fatores que afetam o tempo de cura do concreto
O que é curar? A cura geralmente se refere à adição de água ao concreto para evitar que ele seque durante o tempo de cura especificado. Isso mesmo?? .. Não....
6 fatores que afetam o tempo de cura do concreto
O que é curar? A cura geralmente se refere à adição de água ao concreto para evitar que ele seque durante o tempo de cura especificado. Isso mesmo?? .. Não....

Fatores importantes que afetam a resistência do...
A resistência do concreto ou, em outras palavras, a Resistência à compressão do concretoo fator mais importante levado em consideração no planejamento da construção além da resistência da armadura....
Fatores importantes que afetam a resistência do...
A resistência do concreto ou, em outras palavras, a Resistência à compressão do concretoo fator mais importante levado em consideração no planejamento da construção além da resistência da armadura....