Características dos relés eletromecânicos e SSR e como fazer você mesmo

Características dos relés eletromecânicos e SSR e como fazer você mesmo

A substituição dos tubos de vácuo por transistores tornou possível alternar entre estados lógicos com um consumo mínimo de energia e em um espaço relativamente menor. Este artigo se concentrará na comutação lógica.

Não mudou muita coisa com as tecnologias de comutação elétrica, embora tenha havido algumas inovações em torno de várias técnicas de comutação de cargas elétricas. Ainda assim, o tamanho e a potência dos dispositivos usados ​​para comutação elétrica são muito maiores do que os de comutação lógica.

O componente de comutação elétrica mais popular conhecido é um relé. Por si só, consome muito menos energia do que a carga pesada que pode conduzir. O driver e a carga de um relé são isolados um do outro para evitar acidentes no sistema de controle.

Podemos classificar os relés em duas categorias

  • Eletromecânico
  • SSR (relés de estado sólido)

Geralmente, os relés são eletromecânicos, em que um fio sólido faz contato e permite que a corrente passe através dele, geralmente provocando um curto-circuito no fio na saída. Os relés que funcionam segundo este princípio são os mais familiares. Eles funcionam melhor nos casos em que o atraso não importa e a frequência de comutação é baixa. Mas e os casos em que um atraso é crítico e é necessária uma alta atividade de comutação? É aqui que os SSRs são adequados. Os SSRs comutam a saída sem qualquer envolvimento de peças mecânicas e usam diversas técnicas para acionar a saída sem qualquer contato físico.

Relés de estado sólido (SSR)

Ao contrário dos relés normais, os relés de estado sólido não possuem peças mecânicas, portanto não produzem ruído durante a comutação. A remoção do elemento mecânico aumenta a velocidade de comutação permitindo que os relés trabalhem em frequências mais altas. Os relés de estado sólido aderem a todas as outras propriedades do relé (isolamento, condução de carga pesada, etc.) de seus membros da família mecânica. Os relés de estado sólido mais comuns funcionam com base no princípio de optoisolamento, onde a entrada e a saída são separadas com base na luz.

O que é optoisolamento?

Optoisolamento ou optoacoplamento é uma técnica na qual um resistor dependente de luz (LDR) ativa uma saída quando sua superfície é exposta a uma fonte de luz. No caso dos relés de estado sólido, temos um LED na entrada e um resistor dependente de luz na saída. O resistor dependente de luz na saída faz parte de um circuito composto por vários outros componentes eletrônicos, como transistor, diodo, MOSFET, SCR, DIAC ou TRIAC.

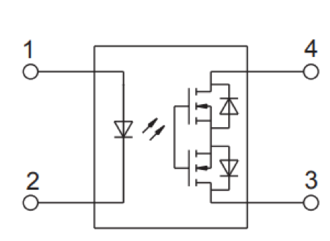
Por exemplo,

Figura 1. Estrutura interna de um SSR.

O SSR acima possui um LED na entrada e um MOSFET na saída. O LDR não é mostrado no diagrama de circuito acima, mas fica entre a base dos dois MOSFETs. Quando a luz do LED incide sobre o LDR, a resistência do LDR diminui e um curto-circuito permite que a corrente flua entre os canais de saída. A RSS em figura 1 pode suportar uma corrente de carga de alguns miliamperes.

Figura 2. Um exemplo de outro SSR.

A estrutura interna do SSR mostrada em Figura 2 é separado usando um optoisolador. Do lado da saída, temos agora vários outros componentes, como o opto triac e o SCR. O SSR acima pode lidar com corrente em amperes; à medida que a potência de saída do SSR aumenta, a estrutura interna torna-se cada vez mais complexa.

As principais vantagens dos SSRs sobre os relés tradicionais são:

  • Comutação não mecânica.
  • Quase nenhum ruído de comutação.
  • A frequência de comutação é alta em comparação com relés convencionais.
  • Isolamento optoeletrônico.
  • Baixo consumo de energia de entrada (apenas um led na entrada. Enquanto tradicionalmente é uma bobina).
  • Aciona cargas pesadas, usadas em processos industriais pesados ​​onde motores pesados ​​trabalham em altas frequências
  • Funciona em tensão CA e CC.

As principais desvantagens dos SSRs em relação aos relés tradicionais são:

  • O SSR aquece muito rapidamente, portanto é necessário um dissipador de calor extra para absorver o calor. Isso aumenta a lista de materiais.
  • Embora não seja necessariamente uma desvantagem, é importante em certas aplicações. Devido ao tamanho e peso dos SSRs, é difícil montá-los em uma PCB e é necessário espaço extra para abrigá-los.

Como construir seu SSR

Sim, é possível construir um SSR do zero. Um circuito SSR simples é mostrado em Figura 3.

Figura 3 Feito em circuitlab.com

A parte central do seu SSR personalizado será um fotoacoplador. Sugerimos que você escolha um fotoacoplador com saída acionada por um TRIAC, conforme mostrado na Figura 3. As entradas SSR podem ser controladas com um microcontrolador ou circuito digital. As aplicações pesadas incluem entradas de um PLC (controlador lógico programável) ou VFD (drivers de frequência variável). Um circuito de disparo Schmitt também pode acionar o SSR, embora seja melhor usar uma arquitetura Schmitt quando a energia for crítica.

Você pode conectar suas cargas diretamente ou estender o circuito de acordo com suas necessidades na saída dos pinos SSR. Para fins de teste, é preferível uma lâmpada na saída, onde a lâmpada é acionada por um TRIAC operando em uma fonte de alimentação CA.

Вернуться в блог

Оставьте комментарий

Комментарии должны быть одобрены перед публикацией.