Tecnologia e Desenvolvimento

Como fazer a interface do LED com o microcontrolador AVR (ATmega16) – (Parte 4/46)

Como fazer a interface do LED com o microcontro...

ATmega16 possui 32 pinos de E/S para comunicação com dispositivos externos. Antes de fazer interface com dispositivos externos, esses pinos devem ser configurados como pinos de entrada ou saída. Es...

Como fazer a interface do LED com o microcontro...

ATmega16 possui 32 pinos de E/S para comunicação com dispositivos externos. Antes de fazer interface com dispositivos externos, esses pinos devem ser configurados como pinos de entrada ou saída. Es...

Como fazer um coqueiro decorativo usando uma fita LED RGB digital

Como fazer um coqueiro decorativo usando uma fi...

Neste projeto, demonstraremos como fazer uma peça decorativa colorida e king-size de um coqueiro (5 pés) usando uma faixa de LED RGB digital. A faixa de LED RGB é cortada...

Como fazer um coqueiro decorativo usando uma fi...

Neste projeto, demonstraremos como fazer uma peça decorativa colorida e king-size de um coqueiro (5 pés) usando uma faixa de LED RGB digital. A faixa de LED RGB é cortada...

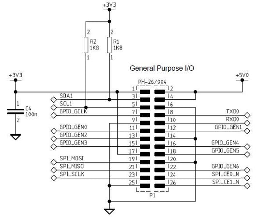
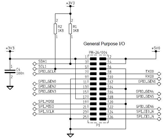
Como piscar o LED usando Raspberry Pi -(Parte 07/38)

Como piscar o LED usando Raspberry Pi -(Parte 0...

A Intel e o ARM são as duas famílias de processadores populares amplamente utilizadas em dispositivos computacionais. Os processadores Intel são usados ​​​​principalmente em computadores pessoais, ...

Como piscar o LED usando Raspberry Pi -(Parte 0...

A Intel e o ARM são as duas famílias de processadores populares amplamente utilizadas em dispositivos computacionais. Os processadores Intel são usados ​​​​principalmente em computadores pessoais, ...

O controlador flyback da STMicroelectronics aumenta o desempenho do LED

O controlador flyback da STMicroelectronics aum...

O controlador flyback HVLED101 90-400V da STMicroelectronics para aplicações de iluminação LED de até 180W melhora o desempenho e simplifica o projeto por meio de ampla integração de recursos, técn...

O controlador flyback da STMicroelectronics aum...

O controlador flyback HVLED101 90-400V da STMicroelectronics para aplicações de iluminação LED de até 180W melhora o desempenho e simplifica o projeto por meio de ampla integração de recursos, técn...

STMicroelectronics e Smart Eye demonstram sistema de monitoramento de driver de 1 LED

STMicroelectronics e Smart Eye demonstram siste...

A Smart Eye, especializada em inteligência artificial (IA) para construir tecnologia que apoia e prevê o comportamento humano, e a STMicroelectronics, fornecedora global de semicondutores, anunciar...

STMicroelectronics e Smart Eye demonstram siste...

A Smart Eye, especializada em inteligência artificial (IA) para construir tecnologia que apoia e prevê o comportamento humano, e a STMicroelectronics, fornecedora global de semicondutores, anunciar...

O novo sensor óptico reflexivo da Vishay economiza espaço

O novo sensor óptico reflexivo da Vishay econom...

O grupo de optoeletrônica da Vishay Intertechnology, Inc. apresentou um novo sensor óptico reflexivo com qualificação AEC-Q101 para aplicações automotivas, residenciais inteligentes, industriais e ...

O novo sensor óptico reflexivo da Vishay econom...

O grupo de optoeletrônica da Vishay Intertechnology, Inc. apresentou um novo sensor óptico reflexivo com qualificação AEC-Q101 para aplicações automotivas, residenciais inteligentes, industriais e ...