 
			A conversão de potência do retificador de ponte completa
O completo Ponte retificadora é o circuito mais comumente usado para fontes de alimentação eletrônicas DC.
Mas o Retificador de ponte completa não requer um transformador de derivação central. Em um retificador de onda completa com um transformador de derivação central, a derivação central pode não fornecer uma derivação central exata e, portanto, duas meias-ondas de entrada podem não ter o mesmo tamanho. Portanto, os pulsos adjacentes na forma de onda de saída são de tamanhos diferentes. Isto é eliminado com o retificador de ponte completa com quatro diodos.
Como funciona o retificador de ponte completa
 
 
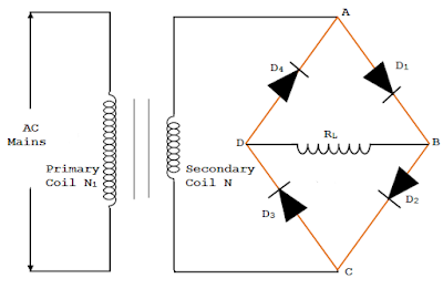
- O diagrama do circuito de uma ponte retificadora é mostrado na figura. Consiste em quatro diodos, D1D2E D4, conectado como uma ponte ABCD. Duas linhas, A e C da rede, estão conectadas na bobina secundária, e as outras duas linhas, D e B, estão conectadas à carga Resistência RM.
- Seja V = VMpecado θ seja isso tensão sinusoidal instantânea a frequência f (= 50 Hz), que ocorre na bobina secundária do transformador.
- Durante o meio ciclo positivo, a conexão A é positiva para C: o diodo D1e D3São Direção para frente e atuam como curto-circuitos. Neste momento os diodos D2e D4são polarizados na direção reversa e, portanto, agem abertos. A corrente flui na direção D1, B, REU, D, D3, C e A Figura (a), produzindo uma queda de tensão RM.
- Durante a meia onda negativa, a conexão A é negativa em relação a C: o diodo e D4 são polarizado diretamente, e o diodo e D3são polarizados na direção inversa. A corrente flui ao longo de C, D2, B, REU, D, D4, A e C (Figura b), dando uma queda de tensão em RM.
- Isto significa que a tensão de saída está presente durante ambas as metades do ciclo de entrada. O retificador é, portanto, um retificador de onda completa. As formas de onda das tensões de entrada e saída são iguais às de um retificador de onda completa. A tensão de saída é unidirecional, contínua, mas não constante.
Transistor como amplificador
Os transistores, em sua capacidade de controlar o fluxo de corrente, superaram seus antecessores mais volumosos e menos eficientes, como: B. tubos de vácuo, substituídos na maioria das aplicações de amplificadores. Esses pequenos dispositivos eletrônicos, possibilitados pelos avanços na tecnologia de semicondutores, abriram caminho para designs de amplificadores compactos e altamente eficientes. Em sua essência, um amplificador transistorizado pega um pequeno sinal de entrada e o amplia em um sinal de saída maior sem causar distorção significativa. Aproveitando as propriedades exclusivas dos transistores, como: B. seu ganho variável e baixo consumo de energia, os amplificadores podem reproduzir sinais fielmente em uma ampla faixa de frequência e amplitude.
Vantagens e desvantagens dos retificadores de ponte completa
Vantagens
- 
Nenhum transformador com derivação central é necessário no lado secundário.
- 
A tensão de saída é duas vezes maior que a de um retificador com derivação central para a mesma tensão secundária.
- 
A potência PIV requer apenas metade da potência necessária para um retificador de onda completa.
- 
É adequado para aplicações de alta tensão.
Desvantagens
- 
Quatro diodos são usados.
- 
Como dois diodos em série sempre transportam corrente, a queda de tensão e a perda de potência dos diodos no circuito em ponte são maiores do que no circuito de onda completa. Este fator é mais importante em cursos de alta tensão.
 
              