Multivibradores astáveis, também conhecidos como osciladores ou multivibradores de funcionamento livre, são importantes circuitos eletrônicos amplamente utilizados em diversas aplicações. Esses circuitos são particularmente populares entre entusiastas de eletrônica, engenheiros e amadores devido à sua versatilidade e design simples. Neste guia detalhado, mergulhamos no mundo dos multivibradores astáveis e exploramos seus princípios operacionais, aplicações, benefícios e muito mais.
O que é um multivibrador astável?
Um multivibrador astável é um circuito eletrônico que produz uma saída contínua de onda quadrada. É caracterizado pela sua capacidade de alternar continuamente entre os seus dois estados instáveis sem disparo externo. Em termos mais simples, é um oscilador de funcionamento livre que oscila constantemente entre estados altos e baixos.
Por que os multivibradores astáveis são importantes?
Multivibradores astáveis desempenham um papel crucial no projeto de circuitos eletrônicos. Eles são usados para diversos fins, incluindo geração de relógio, geração de sinal e aplicações de temporização. Sua simplicidade e confiabilidade os tornam atraentes para amadores e profissionais.
Noções básicas do multivibrador astável

Em sua essência, um multivibrador astável é um circuito que oscila continuamente entre seus estados instáveis, produzindo uma saída de onda quadrada. Essa oscilação é causada pela carga e descarga dos capacitores dentro do circuito, resultando em uma onda quadrada simétrica com ciclo de trabalho de 50%.
Como funciona um multivibrador astável?
Um multivibrador astável normalmente consiste em dois transistores, capacitores e resistores dispostos em um circuito de feedback. O circuito é projetado para circular continuamente entre seus estados instáveis, produzindo uma saída de onda quadrada. Esta ação de comutação resulta da carga e descarga dos capacitores do circuito.
Operação no multivibrador astável
A operação de um multivibrador astável pode ser dividida em duas fases:
- Fase de carga: Durante esta fase, um capacitor é carregado enquanto o outro é descarregado.
- Fase de descarga: Nesta fase os papéis são invertidos, o capacitor anteriormente carregado agora é descarregado e vice-versa.
Este ciclo contínuo de carga e descarga cria as características de saída de onda quadrada de multivibradores astáveis.
Forma de onda do multivibrador astável
A forma de onda produzida por um multivibrador astável é uma onda quadrada simétrica. Ele tem um ciclo de trabalho de 50%, o que significa que os estados alto e baixo têm duração igual. Isso o torna adequado para diversas aplicações de temporização e geração de sinal.
Design e componentes
O projeto de um multivibrador astável normalmente inclui transistores, resistores e capacitores dispostos em um circuito de feedback específico. Os valores destes componentes determinam a frequência e o ciclo de trabalho do circuito, permitindo adaptá-lo a requisitos específicos.
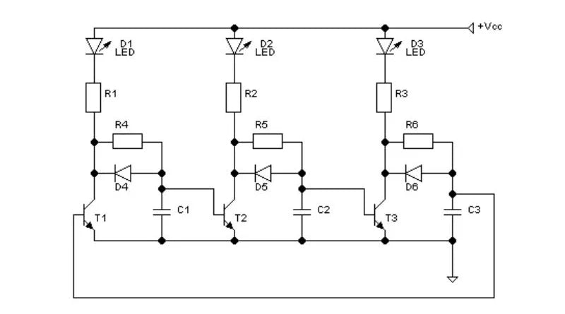
Circuito multivibrador astável com transistor
Os componentes principais de um circuito multivibrador astável incluem dois transistores, resistores e capacitores. A disposição desses componentes determina a frequência e o ciclo de trabalho do circuito. Aqui está um esquema básico de um circuito multivibrador astável:

Cálculos de frequência e tempo de um multivibrador astável
Para calcular os parâmetros de frequência e tempo de um multivibrador astável, você pode usar as seguintes fórmulas:
- Frequência (f) = 1 / (2 * R * C)
- Tempo máximo (Th) = 0,693 * R1 * C1
- Tempo baixo (Tl) = 0,693 * R2 * C2
- Ciclo de trabalho = (Th / (Th + Tl)) * 100%
R e C são os valores de resistência e capacitância do circuito e R1, R2, C1 e C2 são os valores de determinados componentes.
Aplicações do multivibrador astável
Multivibradores astáveis possuem uma ampla gama de aplicações em eletrônica e servem como geradores de relógio, geradores de sinais e temporizadores. Eles são usados sempre que são necessários tempo preciso e geração de onda quadrada. Além disso, sua simplicidade e economia os tornam atraentes para diversos projetos de reforma residencial.
Onde os multivibradores astáveis são usados?
Multivibradores astáveis encontram aplicação em diversas áreas, incluindo:
- Geração de relógio: Eles são usados em eletrônica digital para gerar pulsos de clock para operações síncronas.
- Geração de sinal: Multivibradores astáveis são usados em geradores de sinal para gerar ondas quadradas e formas de onda de pulso.
- Aplicativos de tempo: São usados em temporizadores e circuitos de atraso.
- Sinais de mudança de LED: Multivibradores astáveis podem criar circuitos intermitentes de LED para fins decorativos e de exibição.
Vantagens dos multivibradores astáveis
Os benefícios do uso de multivibradores astáveis incluem:
- simplicidade: Eles têm um design simples com componentes mínimos.
- estabilidade: Multivibradores astáveis produzem saídas de onda quadrada altamente estáveis.
- Ampla faixa de frequência: Ao selecionar os componentes apropriados, você pode obter um amplo espectro de frequência.
- Custos baixos: Os componentes necessários para um multivibrador astável são baratos.
Multivibrador astável em comparação com outros osciladores
Multivibradores astáveis são apenas um tipo de oscilador. Comparação com outros osciladores:
- Astável vs. Monoestável: Multivibradores astáveis produzem oscilações contínuas, enquanto multivibradores monoestáveis produzem um único pulso em resposta a um disparo externo.
- Oscilador astável vs. oscilador de cristal: Os osciladores de cristal são altamente estáveis, mas mais complexos e mais caros que os multivibradores astáveis.
- Oscilador astável vs. oscilador de relaxamento: Os osciladores de relaxamento usam um fenômeno de relaxamento como uma lâmpada de néon ou UJT, enquanto os multivibradores astáveis são baseados em transistores e capacitores.
Solução de problemas e dicas
Problemas comuns com multivibradores astáveis incluem frequências incorretas, ciclos de trabalho irregulares e oscilações ocasionais ausentes. Para resolver esses problemas, é importante verificar novamente os valores e conexões dos componentes e usar ferramentas como osciloscópios para medições precisas e solução de problemas. A prototipagem em uma placa de ensaio antes da soldagem também pode ajudar a evitar erros dispendiosos.
Problemas comuns com multivibradores astáveis
Ao trabalhar com multivibradores astáveis, podem surgir problemas comuns, como:
- Frequência errada: Verifique os valores e conexões dos componentes.
- Ciclo de trabalho irregular: Certifique-se de que os resistores e capacitores estejam devidamente combinados.
- Sem vibração: Verifique as conexões do transistor e a tensão de polarização.
Dicas para construir e testar multivibradores astáveis
Para garantir projetos bem-sucedidos de multivibradores astáveis, siga estas dicas:
- Verifique novamente os valores e conexões dos componentes.
- Antes de soldar, use uma placa de ensaio para prototipagem.
- Os osciloscópios são ferramentas valiosas para solução de problemas e ajuste fino.
Configurações e modificações avançadas
Entusiastas experientes podem explorar configurações e modificações avançadas para personalizar multivibradores astáveis para aplicações específicas, incluindo:
- Adicionando potenciômetros para ajuste de frequência.
- Instalação de transistores adicionais para formas de onda mais complexas.
- Integração de ciclos de feedback para tempo preciso.
Conclusão
Em resumo, multivibradores astáveis são importantes circuitos eletrônicos conhecidos por sua simplicidade e versatilidade. Eles geram continuamente sinais de onda quadrada e são usados em diversas aplicações, desde circuitos de temporização até geradores de sinais. Garantir valores adequados de componentes, conexões e técnicas de solução de problemas são essenciais para implementar com sucesso multivibradores astáveis em projetos eletrônicos.
Perguntas frequentes
Qual é a finalidade de um multivibrador astável?
Um multivibrador astável é usado principalmente para gerar sinais contínuos de onda quadrada e, portanto, é valioso para aplicações como geração de relógio, geração de sinal e circuitos de temporização.
Como calculo a frequência de um multivibrador astável?
A frequência de um multivibrador astável pode ser calculada usando a fórmula Frequência (f) = 1 / (2 * R * C), onde R é a resistência e C é a capacitância do circuito.
Posso usar multivibradores astáveis em aplicações de áudio?
Multivibradores astáveis podem produzir frequências de áudio, mas geralmente são inadequados para aplicações de áudio de alta qualidade devido à sua saída de onda quadrada, que contém harmônicos. Para fins de áudio, outros tipos de osciladores, como onda senoidal ou osciladores de cristal, são preferidos.