Tecnologia e Desenvolvimento
Eletrônica Básica 26 – diferentes tipos de font...
Nos artigos anteriores, discutimos componentes eletrônicos passivos como resistores, capacitores, indutores e transformadores. Os componentes passivos são particularmente úteis no projeto de vários...
Eletrônica Básica 26 – diferentes tipos de font...
Nos artigos anteriores, discutimos componentes eletrônicos passivos como resistores, capacitores, indutores e transformadores. Os componentes passivos são particularmente úteis no projeto de vários...
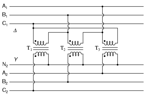
Eletrônica Básica 25 – Tipos de transformadores...
No artigo anterior, discutimos a classificação dos transformadores por material do núcleo, geometria e níveis de tensão. Os transformadores também podem ser classificados por sua aplicação e uso. V...
Eletrônica Básica 25 – Tipos de transformadores...
No artigo anterior, discutimos a classificação dos transformadores por material do núcleo, geometria e níveis de tensão. Os transformadores também podem ser classificados por sua aplicação e uso. V...
Eletrônica Básica 24 – Tipos de transformadores
No artigo anterior aprendemos os conceitos básicos de um transformador. Um transformador é simplesmente um par de indutores acoplados magneticamente para permitir a indução eletromagnética entre el...
Eletrônica Básica 24 – Tipos de transformadores
No artigo anterior aprendemos os conceitos básicos de um transformador. Um transformador é simplesmente um par de indutores acoplados magneticamente para permitir a indução eletromagnética entre el...
Tutorial 10: Transmissor de dados de sensor sem...
No tutorial anterior, aprendemos como o ATtiny85 se comunica serialmente com o módulo Bluetooth HC05 e envia/recebe comandos do smartphone Bluetooth Este tutorial também envolve a função do módulo ...
Tutorial 10: Transmissor de dados de sensor sem...
No tutorial anterior, aprendemos como o ATtiny85 se comunica serialmente com o módulo Bluetooth HC05 e envia/recebe comandos do smartphone Bluetooth Este tutorial também envolve a função do módulo ...
Tutorial 9: Controle de dispositivos usando Blu...
Nesta série de tutoriais, aprendemos sobre a interface do potenciômetro para obter entrada analógica, a interface do LED RGB gerando a saída PWM, o controle de velocidade do motor DC...
Tutorial 9: Controle de dispositivos usando Blu...
Nesta série de tutoriais, aprendemos sobre a interface do potenciômetro para obter entrada analógica, a interface do LED RGB gerando a saída PWM, o controle de velocidade do motor DC...
Tutoriais do microcontrolador ATtiny85, Parte 5...
Nos tutoriais anteriores desta série, vimos como gerar diferentes efeitos de perseguição piscando LEDs. Então estávamos simplesmente ligando e desligando o LED. Neste tutorial vamos variar o brilho...
Tutoriais do microcontrolador ATtiny85, Parte 5...
Nos tutoriais anteriores desta série, vimos como gerar diferentes efeitos de perseguição piscando LEDs. Então estávamos simplesmente ligando e desligando o LED. Neste tutorial vamos variar o brilho...