Tecnologia e Desenvolvimento
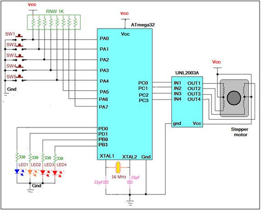
Controle de velocidade e direção do motor de pa...
Este é um tutorial simples sobre como controlar a velocidade e a direção do motor de passo usando o arduino uno e o módulo bluetooth hc-06 por meio de um...
Controle de velocidade e direção do motor de pa...
Este é um tutorial simples sobre como controlar a velocidade e a direção do motor de passo usando o arduino uno e o módulo bluetooth hc-06 por meio de um...
Mini luz de vela usando bateria antiga de celular
De acordo com o slogan dos Três R “Reutilizar, Reduzir, Reciclar”, devemos estar conscientes para salvar o nosso planeta do lixo eletrónico. Às vezes temos um celular morto, mas a...
Mini luz de vela usando bateria antiga de celular
De acordo com o slogan dos Três R “Reutilizar, Reduzir, Reciclar”, devemos estar conscientes para salvar o nosso planeta do lixo eletrónico. Às vezes temos um celular morto, mas a...
Introdução aos sensores de posição indutivos
Estamos tornando mais fácil do que nunca o início da tecnologia de sensor de posição indutivo. Escolha entre nosso sistema simples de três etapas para construir seu próprio sensor baseado...
Introdução aos sensores de posição indutivos
Estamos tornando mais fácil do que nunca o início da tecnologia de sensor de posição indutivo. Escolha entre nosso sistema simples de três etapas para construir seu próprio sensor baseado...
Baterista
Resumo do Circuito do Baterista- • Este projeto é para os amantes da música ou para aqueles que amam o som do baterista. • É fácil de agarrar e montar....
Baterista
Resumo do Circuito do Baterista- • Este projeto é para os amantes da música ou para aqueles que amam o som do baterista. • É fácil de agarrar e montar....
Faça Você Mesmo: Pedal de Distorção
Já se perguntou como esses sons crocantes vêm das guitarras dos deuses do rock moderno. Bem, a resposta para isso é a eletrônica. Então vamos percorrer a história desse som...
Faça Você Mesmo: Pedal de Distorção
Já se perguntou como esses sons crocantes vêm das guitarras dos deuses do rock moderno. Bem, a resposta para isso é a eletrônica. Então vamos percorrer a história desse som...
Efeito Flash da Câmera (usando temporizador 555)
Resumo do circuito- 1. Este circuito é muito fácil de projetar. 2. Necessita apenas de alguns componentes facilmente disponíveis no mercado. 3. Produzirá o mesmo efeito produzido pelo flash da...
Efeito Flash da Câmera (usando temporizador 555)
Resumo do circuito- 1. Este circuito é muito fácil de projetar. 2. Necessita apenas de alguns componentes facilmente disponíveis no mercado. 3. Produzirá o mesmo efeito produzido pelo flash da...