Indústria

11 perguntas frequentes essenciais para soldagem de aço inoxidável

11 perguntas frequentes essenciais para soldage...

O que é soldagem por projeção?

O que é soldagem por projeção?

1. Princípio de soldagem por projeção A soldagem por projeção é um método de soldagem eficiente que permite a soldagem multiponto simultaneamente. Pode ser usado como alternativa à soldagem a...

1 comentário

O que é soldagem por projeção?

1. Princípio de soldagem por projeção A soldagem por projeção é um método de soldagem eficiente que permite a soldagem multiponto simultaneamente. Pode ser usado como alternativa à soldagem a...

1 comentário
Escolhendo materiais de soldagem para aço inoxidável: aconselhamento especializado

Escolhendo materiais de soldagem para aço inoxi...

O efeito de quatro tipos de elementos de aço inoxidável e liga Existem quatro tipos de aço inoxidável: aço inoxidável austenítico, martensítico, ferrítico e duplex (conforme mostrado na Tabela 1)....

Escolhendo materiais de soldagem para aço inoxi...

O efeito de quatro tipos de elementos de aço inoxidável e liga Existem quatro tipos de aço inoxidável: aço inoxidável austenítico, martensítico, ferrítico e duplex (conforme mostrado na Tabela 1)....

Dicas de armazenamento de materiais de soldagem: mantenha seus suprimentos seguros e protegidos

Dicas de armazenamento de materiais de soldagem...

1. Haste de soldagem

Dicas de armazenamento de materiais de soldagem...

1. Haste de soldagem

Juntas soldadas: alcançando aparência e qualidade superiores

Juntas soldadas: alcançando aparência e qualida...

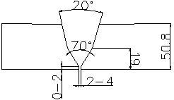
Fatores principais Em geral, existem vários fatores-chave que contribuem para a criação de um padrão de solda bonito e forte. Primeiro: A mão deve estar estável e não pode tremer,...

Juntas soldadas: alcançando aparência e qualida...

Fatores principais Em geral, existem vários fatores-chave que contribuem para a criação de um padrão de solda bonito e forte. Primeiro: A mão deve estar estável e não pode tremer,...

Processo de soldagem de aço 9Ni: dicas essenciais reveladas

Processo de soldagem de aço 9Ni: dicas essencia...

1. Introdução Devido às suas excelentes propriedades abrangentes e vantagens de custo, o aço 9Ni é amplamente utilizado em vários setores, como aeroespacial, petróleo, químico, construção naval, en...

Processo de soldagem de aço 9Ni: dicas essencia...

1. Introdução Devido às suas excelentes propriedades abrangentes e vantagens de custo, o aço 9Ni é amplamente utilizado em vários setores, como aeroespacial, petróleo, químico, construção naval, en...