Tipos de relés eletromagnéticos
-
Tipo de âncora apertada
-
Tipo de feixe balanceado
-
Tipo de disco de indução
-
Tipo de copo de indução
-
Relé de bobina móvel
Relé com armadura energizada
onde k é uma constante e eu2Mcos2ωt pulsa
A bobina é excitada por corrente ou tensão, uma grandeza operacional proporcional, que cria um fluxo magnético e, assim, gera uma força eletromagnética. Esta força é proporcional ao quadrado do fluxo do entreferro ou ao quadrado da corrente. Esta força aumenta à medida que a armadura se aproxima do pólo do eletroímã.
Este tipo de relé é usado para proteção máquinas pequenas e para Relé auxiliar como relés indicadores (sinalizadores), alarmes e relés de sinalização.
Relé de feixe simétrico
princípio
Todos esses relés têm o mesmo princípio: a força eletromagnética gerada pelo fluxo magnético é gerada pela grandeza operacional. A pressão exercida no elemento móvel é proporcional ao quadrado do fluxo do entreferro ou ao quadrado da corrente. Nos relés CC eletromagnéticos, essa força é constante. Quando esta força excede a força restritiva, o relé é ativado.
F∝Φ2 (corrente alternada), F = K (corrente contínua)
Este tipo de Relé de feixe simétrico possui um feixe fixo e um eletroímã (EM) conforme mostrado na figura. O EM possui dois enrolamentos: a tensão alimenta um e a corrente alimenta o outro. Em condições normais, a tensão é elevada devido à tensão (magnitude da restrição); portanto, o contato permanece aberto. Quando ocorre uma falta, a corrente aumenta e a tração devido à corrente é maior que a tração de tensão. Isto fecha as conexões do circuito de disparo.
Este relé do tipo “Feixe Balanceado” mostrado na figura consiste em um feixe horizontal giratório centralmente com uma âncora fixada em cada lado. São duas bobinas, uma de cada lado. A viga permanece horizontal até que a força operacional exceda a força de restrição. A corrente na bobina fornece a potência operacional, por um lado, e a força de retenção, por outro. À medida que a força ativa ou torque aumenta, o feixe se inclina e o contato se fecha. O relé então muda opera o mecanismo de disparo do disjuntor Controle de linha/equipamento.
Tipos de disco de indução de relés eletromagnéticos
Tipo wattímetro ou relé não direcional
Pólo sombreado ou relé direcional
Uma mola fornece o torque restaurador e um ímã permanente cria a frenagem por correntes parasitas no disco. O torque de frenagem é proporcional à velocidade do disco. Se a corrente operacional for a Valor da coleçãoUm torque de acionamento é gerado e o disco acelera até uma velocidade na qual o torque de frenagem equilibra o torque de acionamento. O disco gira a uma velocidade proporcional ao torque do acionamento.
A uma corrente abaixo do valor de resposta, o disco permanece estacionário porque a tensão da mola de controle atua contra o sentido normal de rotação do disco. O disco repousa sobre um batente cuja posição é ajustável. Isso é chamado de temporização do relé e permite que o caminho dos contatos do relé varie conforme necessário.
No caso de relés de disco, são fornecidas várias derivações na bobina para fornecer o desejado Valor da resposta atual.
Indução de relé de copo ou relé direcional
-
É um relé de grandeza de dupla ação (corrente e tensão)
-
Altamente sensível
-
Alta velocidade
-
Torque consistente e sem vibrações
-
A taxa de redefinição para resposta é alta (mais de 95%)
-
O tempo de operação é inferior a 0,01 segundos.
A funcionalidade é semelhante à de um motor de indução. Consiste em um núcleo de ferro estacionário e um condutor de rotor móvel (copo). O elemento móvel é um cilindro ou copo oco que gira em torno de seu eixo. O fator de acionamento é uma estrutura de quatro ou oito pólos disposta radialmente ao redor da parte externa do cilindro e conectada por uma forquilha. Um núcleo de ferro estacionário é inserido no cilindro rotativo para encurtar o entreferro.
É um relé de indução de alta velocidade porque possui menos inércia. Os dois pares de bobinas estão deslocados em 90°.Ó. Quando essas bobinas são energizadas, um campo magnético rotativo é criado. O rotor quebra o campo magnético e uma força eletromotriz é induzida no rotor que resulta em uma corrente devido à natureza de curto-circuito do rotor. A interação entre o fluxo rotativo e a corrente induzida cria um torque que faz o cilindro girar. O movimento do rotor fecha o circuito de disparo. O torque gerado é proporcional a I1 Eu2 sen α ou Φ1 Φ2 sen α, onde Φ1 Φ2 são os fluxos devidos às correntes de excitação I1 e eu2 de pares de bobinas e α é o Diferença de fase entre os dois fluxos.
Devido ao peso leve do rotor e ao sistema magnético eficiente, seu torque é três vezes maior que o de um tipo de disco de indução. Este tipo de relé possui uma alta relação torque-peso, permitindo operação em alta velocidade.
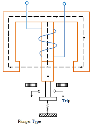
Relé de bobina móvel
-
Bobina móvel giratória
-
Bobina axialmente móvel
Relé de bobina rotativa
Relé de bobina móvel axial
Conclusão
O artigo analisa vários tipos de relés eletromagnéticos, incluindo relés de armadura de atração, relés de feixe de equilíbrio, relés de disco de indução (wattímetro, relés de pólo sombreado e relés de copo de indução) e relés de bobina móvel (rotativos e axiais). Cada relé opera com base em forças eletromagnéticas e comuta os contatos quando a pressão operacional excede a força de restrição. Esses relés são componentes essenciais em circuitos de controle e sistemas de proteção e encontram aplicação em diversas áreas como: Por exemplo, sistemas de energia, automação e sinalização.
O projeto e a construção desses relés utilizam vários componentes, conexões e considerações térmicas para garantir operação e isolamento confiáveis. Eles servem como interruptores em circuitos e controlam o fluxo de sinais e energia. O artigo cobre categorias como relés de condição e sua aplicação em cenários específicos, incluindo proteção contra sobrecarga e sistemas de alta tensão.
Em resumo, os relés eletromagnéticos são cruciais em diversas aplicações, pois fornecem controle e proteção eficientes contra problemas como sobrecargas e problemas de temperatura. Suas funções, como parâmetros de atraso e fontes de entrada, contribuem para sua eficácia como dispositivos essenciais em engenharia elétrica.







