Indústria
Gráfico de densidade de chapa metálica (kg/m³ e...
Gráfico de densidade de chapa metálica Abaixo está a tabela de densidade de vários materiais de chapa metálica. Item Nota Densidade (g/mm³) (kg/m³) Placa de alumínio A1100 0,00272 2720 Folha...
Gráfico de densidade de chapa metálica (kg/m³ e...
Gráfico de densidade de chapa metálica Abaixo está a tabela de densidade de vários materiais de chapa metálica. Item Nota Densidade (g/mm³) (kg/m³) Placa de alumínio A1100 0,00272 2720 Folha...
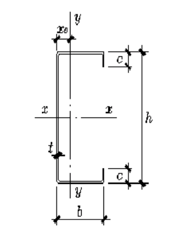
Como calcular e gráfico de peso do canal C
Calculadora de peso do canal C Gráfico de peso do canal C Modelo Tamanhos(milímetros) Área transversal(cm²) Peso(kg/m) h b c t C80 80 40 20 2,25 4.29 3,37 C80 80...
Como calcular e gráfico de peso do canal C
Calculadora de peso do canal C Gráfico de peso do canal C Modelo Tamanhos(milímetros) Área transversal(cm²) Peso(kg/m) h b c t C80 80 40 20 2,25 4.29 3,37 C80 80...
Tabela de velocidade e espessura de corte a las...
I. Gráfico de espessura e velocidade de corte a laser 1. Tabela de velocidade e espessura de corte a laser de 500 W – 12 kW Unidade: m/min Metais 500 W...
Tabela de velocidade e espessura de corte a las...
I. Gráfico de espessura e velocidade de corte a laser 1. Tabela de velocidade e espessura de corte a laser de 500 W – 12 kW Unidade: m/min Metais 500 W...
Tabela de dureza de liga de alumínio: HW, HB, H...
Tabela de dureza de liga de alumínio Não Grau de liga de alumínio Hardware HB Alta tensão HRB HBA 1 Placa Alpase K100-S™ 11.4 62 69 2 Placa Alpase K100™...
Tabela de dureza de liga de alumínio: HW, HB, H...
Tabela de dureza de liga de alumínio Não Grau de liga de alumínio Hardware HB Alta tensão HRB HBA 1 Placa Alpase K100-S™ 11.4 62 69 2 Placa Alpase K100™...
50 novos materiais que moldarão o futuro da ind...
O que são novos materiais? Novos materiais, também conhecidos como materiais avançados, referem-se àqueles recentemente desenvolvidos ou em desenvolvimento que apresentam desempenho superior em com...
50 novos materiais que moldarão o futuro da ind...
O que são novos materiais? Novos materiais, também conhecidos como materiais avançados, referem-se àqueles recentemente desenvolvidos ou em desenvolvimento que apresentam desempenho superior em com...
Os 10 principais fabricantes e marcas de compre...
País: Suécia Fundado:1873 Sobre a empresa: A Atlas Copco é um grupo industrial global fundado em 1873 e sediado em Estocolmo, Suécia. Com mais de 41.000 funcionários e clientes em...
Os 10 principais fabricantes e marcas de compre...
País: Suécia Fundado:1873 Sobre a empresa: A Atlas Copco é um grupo industrial global fundado em 1873 e sediado em Estocolmo, Suécia. Com mais de 41.000 funcionários e clientes em...